Home
JAQForum Ver 24.01
Log In or Join  
Active Topics
Local Time 22:29 09 Feb 2026 Privacy Policy
Jump to

Notice. New forum software under development. It's going to miss a few functions and look a bit ugly for a while, but I'm working on it full time now as the old forum was too unstable. Couple days, all good. If you notice any issues, please contact me.

Forum Index : Microcontroller and PC projects : CMM2 dead - or very poorly...

Author Message
BitLost
Newbie

Joined: 07/08/2021
Location: New Zealand
Posts: 15
Posted: 01:19am 31 Dec 2023
Copy link to clipboard 
Print this post

I built a CMM2 (original version) from the Silicon Chip kit, having to retrofit the extra oscillator (also obtained from Silicon Chip's online shop). All was working perfectly, and with mouse, for months of occasional dabbling, until suddenly it wasn't. Attempted boot up produced a black screen. This was perhaps a year ago, and, having consigned the thing to the back of a drawer in disgust, not believing that I would be able to sort it out. I now can't remember the details of the ineffectual trouble-shooting I attempted at the time (I'm way out of my depth). I think I (apparently) re-loaded the firmware (V5.07.01b4), without dfu-util producing any unexpected messages, but to no avail. Then came the world chip shortage, and I thought all was lost if the Waveshare module was at fault.

Now, I want to get the CMM2 going again, if possible. I may be able to get access to an oscilloscope (10 MHz, IIRC), but nothing more sophisticated, and know nothing about VGA signals (or anything digital, really...). D.C. voltages around the board and at appropriate pins on the module are OK. Prime suspects would, I guess, be the VGA resistor network (is it safe to measure resistances with the module in situ?)) and the additional oscillator. (Naturally, I think my soldering is impeccable, but I will go round carefully looking for dry joints.)

Please can some kind hardware person give me a few suggestions as to how to go about tracking down the problem?
 
bigmik

Guru

Joined: 20/06/2011
Location: Australia
Posts: 2979
Posted: 01:48am 31 Dec 2023
Copy link to clipboard 
Print this post

Hi BitLost,

The first thing is to measure some voltages (+5V input and 3.3 out of the regulator)  to prove you have power to the beast.

I have never had the waveshare unit in front of me, I always had the `all-in-one' v 1.5 PCBs.

If you have power can you connect to the CMM2 via a USB cable and TeraTerm?

Regards,

Mick
Mick's uMite Stuff can be found >>> HERE (Kindly hosted by Dontronics) <<<
 
mclout999

Guru

Joined: 05/07/2020
Location: United States
Posts: 500
Posted: 03:33am 31 Dec 2023
Copy link to clipboard 
Print this post

You might just reflash it if you haven't already.  During the process you will know if the wavesahre is still live. Good luck.
They call me Shai-Hulud (The maker)
 
BitLost
Newbie

Joined: 07/08/2021
Location: New Zealand
Posts: 15
Posted: 03:41am 31 Dec 2023
Copy link to clipboard 
Print this post

As already stated, DC conditions around the board and at appropriate module pins are OK, and re-flashing appeared to go OK - dfu-util didn't report a problem. Presumably that wouldn't confirm that the module was OK in all respects - just 'alive'.
 
Geoffg

Guru

Joined: 06/06/2011
Location: Australia
Posts: 3340
Posted: 04:02am 31 Dec 2023
Copy link to clipboard 
Print this post

Could be as simple as a faulty VGA cable, that has happened twice to me.

Geoff
Geoff Graham - http://geoffg.net
 
Turbo46

Guru

Joined: 24/12/2017
Location: Australia
Posts: 1660
Posted: 05:29am 31 Dec 2023
Copy link to clipboard 
Print this post

As Mick says, try connecting to Teraterm if you think it should be working. If you get the prompt (>) type something like:
print "hello world"


If you don't have Teraterm but have PC speakers plugged in blindly type:
play tone 1000,1000,100

You should hear a short beep.

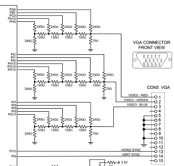
If either of those work then the CMM2 is working so you should then look at the video circuitry. Dry Joint, Faulty cable? Don't worry about the individual colour signals because missing one would still give some sort of picture.

Bill
Keep safe. Live long and prosper.
 
phil99

Guru

Joined: 11/02/2018
Location: Australia
Posts: 2980
Posted: 06:08am 31 Dec 2023
Copy link to clipboard 
Print this post

If your multi-meter has a frequency range you can check the VGA sync. signals.
V-sync = 60Hz
H-sync > 30kHz depending on the mode.

If text is being generated the 3 VGA socket colour pins (monitor unplugged) may have 20 to 30mV at > 30kHz.

To generate text blind type:-

do : print "qwerty"; : loop <ENTER>

Edit
For higher voltage and easier to type:-

CLS RGB(WHITE)
Edited 2023-12-31 16:22 by phil99
 
BitLost
Newbie

Joined: 07/08/2021
Location: New Zealand
Posts: 15
Posted: 06:32am 31 Dec 2023
Copy link to clipboard 
Print this post

Great! Thanks guys! Just the sort of guidance I was hoping for. Too much to do here, battling nature, mowers in pieces, acres to mow - usual stuff. Hopefully I'll attack the CMM2 soon. Happy New Year!
 
TassyJim

Guru

Joined: 07/08/2011
Location: Australia
Posts: 6445
Posted: 06:51am 31 Dec 2023
Copy link to clipboard 
Print this post

Forget the VGA for now.
Can you get any life using a terminal program on the pC?
if not,
First step - remove the RTC battery and try again.
If still not going,
there are two oscillators. The one you replaced and the 32k RTC oscillator.
Both need to be working for a startup.

Borrow that cro and test for life.

Jim
VK7JH
MMedit
 
BitLost
Newbie

Joined: 07/08/2021
Location: New Zealand
Posts: 15
Posted: 08:45am 31 Dec 2023
Copy link to clipboard 
Print this post

The only CMM2-to-PC connection I have played with is dfu-util; I know nothing about terminal progs. Exclusively Linux PCs here, and, when I last looked, Linux equivalent apps seemed mysterious to the uninitiated, with poor documentation. As I said, dfu-util seemed to speak with the CMM2, when I attempted to load an updated firmware, so I'm hopeful that the module is at least partially alive. (I had successfully used dfu-util previously.)

The 8MHz replacement/added oscillator was soldered to the provided pcb pads, not to the Waveshare module, (I thought I'd do it 'properly') so is rather inaccessible. If I can get access to the 'scope, what oscillator signals should I be looking for, and where? The 'where' question is rather lazy, as I'm sure I worked out which pins on the module were worth looking at for oscillator activity, but now I can't find where I wrote it down... It's said that the added oscillator kills the native one (which remains) - but how does one tell, and, if an oscillator signal is present on a module pin, can one tell from which osc. it originates?

Apologies, I'm asking a lot of questions days before I can get around to attacking the problem - such is the busy life of the retired...
 
matherp
Guru

Joined: 11/12/2012
Location: United Kingdom
Posts: 10929
Posted: 09:39am 31 Dec 2023
Copy link to clipboard 
Print this post

Assuming the 3.3V rail is OK, you need to start by seeing if you can establish a terminal connection to the CMM2 before anything else. Use putty or similar on Linux. The terminal connection is via the MCP2221 chip and should be visible to the operating system even if the Waveshare isn't working.

Then before anything else replace the battery and see what happens
 
JohnS
Guru

Joined: 18/11/2011
Location: United Kingdom
Posts: 4224
Posted: 10:11am 31 Dec 2023
Copy link to clipboard 
Print this post

  BitLost said  The only CMM2-to-PC connection I have played with is dfu-util

If that works then a LOT is working.

  BitLost said  I know nothing about terminal progs. Exclusively Linux PCs here

Linux has many terminal progs, pick one you like e.g. screen

You can use the likes of dmesg to find which device your CMM2 has said it is (or use ls /dev/tty*), probably something like /dev/ttyACM0 (or maybe /dev/ttyUSB0) then such as

screen /dev/ttyACM0

That should connect and you can type chars that go to the CMM2 with any echoing/output showing in screen's window.

If it can't connect you may have a permissions problem e.g. the device is owned by dialout but you're not a member of dialout (add it to your user or try root temporarily).

John
Edited 2023-12-31 20:12 by JohnS
 
Mixtel90

Guru

Joined: 05/10/2019
Location: United Kingdom
Posts: 8512
Posted: 10:16am 31 Dec 2023
Copy link to clipboard 
Print this post

STEP ! with a CMM2 is always the same. Check for 5V at the switch inside the CMM2. It *must* be 5V or slightly higher while on load. Even 4V7 is too low. If it isn't 5V then change the lead. This is essential as a Waveshare board simply won't boot if the input voltage sags.
Mick

Zilog Inside! nascom.info for Nascom & Gemini
Preliminary MMBasic docs & my PCB designs
 
BitLost
Newbie

Joined: 07/08/2021
Location: New Zealand
Posts: 15
Posted: 10:27am 31 Dec 2023
Copy link to clipboard 
Print this post

This is wonderful! Thank you all for your help and ideas. Much to think about and do! But it will have to wait until next year...

Happy New Year to you all!
 
JohnS
Guru

Joined: 18/11/2011
Location: United Kingdom
Posts: 4224
Posted: 11:47am 31 Dec 2023
Copy link to clipboard 
Print this post

  Mixtel90 said  a Waveshare board simply won't boot if the input voltage sags.

Worth knowing - thanks!

John
 
mclout999

Guru

Joined: 05/07/2020
Location: United States
Posts: 500
Posted: 02:28pm 31 Dec 2023
Copy link to clipboard 
Print this post

One thing that happened to me once on one of my CMM2s.  It was dead like yours was and I flashed it several times and it would not work and then someone on the form told me to set the erase the flash tick box in the flashing software and that fixed it. I had forgotten that issue when I suggested you flash it.
They call me Shai-Hulud (The maker)
 
toml_12953
Guru

Joined: 13/02/2015
Location: United States
Posts: 542
Posted: 03:23am 01 Jan 2024
Copy link to clipboard 
Print this post

  BitLost said  The only CMM2-to-PC connection I have played with is dfu-util; I know nothing about terminal progs.


Linux has a terminal program called screen. To use it, type

screen /dev/ttyS0 9600

where ttyS0 is your serial port and 9600 is the baud rate you want.

I have a USB to serial converter, so my line looks like this:

screen /dev/ttyUSB0 9600

If you don't have screen already installed, type

sudo apt install screen
 
BitLost
Newbie

Joined: 07/08/2021
Location: New Zealand
Posts: 15
Posted: 08:19pm 01 Jan 2024
Copy link to clipboard 
Print this post

Success! CMM2 lives! I'm very grateful for all your suggestions. I was hopeful that the thing was partially alive, because of experience with dfu-util, so elected to do what was easiest, without searching out DMM (it hides) or opening the case. I installed puTTY and stumbled through the process of connecting to the CMM2, now, of course, powered by the PC's USB supply. I was greeted by the CMM2's initial set-up process, which was negotiated successfully, so there was at least a heart beat.

Like any experimentalist who knows better, but is excitedly rushing things, I changed lots of variables simultaneously - different USB power supply, different monitor and cable - and it booted, displaying the initial set-up screen. Set up, "files" (SD card read OK), re-boot - and the set-up screen again. OK, so the battery's dead. Changed back to the monitor and cable being used when the CMM2 apparently died, and it's fine. I had tried different monitors and cables when it was faulty, to no avail.

So, perhaps there's an intermittent fault (dry joint in the VGA resistor network, for example), or is it possible that a failing battery screws things up because screen resolution and other setting data gets garbled? Now to get a new battery...

Anyway, whatever the cause, I'm now armed with enough information and confidence to jump in and trouble-shoot, rather than to give up before I've even tried. Thank you again, everyone!
 
TassyJim

Guru

Joined: 07/08/2011
Location: Australia
Posts: 6445
Posted: 08:31pm 01 Jan 2024
Copy link to clipboard 
Print this post

Welcome back.

I would at least open the case and gently tap around trying to find any bad solder joint.
You could also use a can of instant cold to squirt the oscillators.

It can be easier to find the cause when you start from a working unit.

Jim
VK7JH
MMedit
 
Turbo46

Guru

Joined: 24/12/2017
Location: Australia
Posts: 1660
Posted: 10:16pm 01 Jan 2024
Copy link to clipboard 
Print this post

Good news. Unfortunately the battery only last about a year, a bigger one would have been more convenient. I'll replace mine with a couple of AAA cells next time.

Please don't worry about the VGA resistor network, anything wrong there will only give you strange colours or no primary colour at all (red, Green or blue).



If it IS the video then it is more likely to be the horizontal or vertical synch that is missing.

Prove that it is working with your terminal program before blaming the video.

Good Luck

Bill
Keep safe. Live long and prosper.
 
Print this page


To reply to this topic, you need to log in.

The Back Shed's forum code is written, and hosted, in Australia.
© JAQ Software 2026