Home
JAQForum Ver 24.01
Log In or Join  
Active Topics
Local Time 11:03 22 Feb 2026 Privacy Policy
Jump to

Notice. New forum software under development. It's going to miss a few functions and look a bit ugly for a while, but I'm working on it full time now as the old forum was too unstable. Couple days, all good. If you notice any issues, please contact me.

Forum Index : Microcontroller and PC projects : controlling 6 LCD displays with 1 PicoMite

Author Message
ville56
Guru

Joined: 08/06/2022
Location: Austria
Posts: 405
Posted: 03:40pm 19 Feb 2026
Copy link to clipboard 
Print this post

I'v managed to control 6 LCD displays based on ST7789 to simulate good ole Nixie tubes. This is done by simply de-muxing the CS signal for each display, all other singnals are tied as a bus. The only odd thing is that the reset line must not be connected to the Pico, just left open or high. Init is done by selecting the individual displays CS and issuing GUI RESET LCDPANEL. After that just select the required LCD CS and display the content. Have to let it run for a while now, just to see if there are issues ....



                                                                 
73 de OE1HGA, Gerald
 
lizby
Guru

Joined: 17/05/2016
Location: United States
Posts: 3620
Posted: 04:06pm 19 Feb 2026
Copy link to clipboard 
Print this post

Retro to the max. Congrats.
PicoMite, Armmite F4, SensorKits, MMBasic Hardware, Games, etc. on fruitoftheshed
 
Mixtel90

Guru

Joined: 05/10/2019
Location: United Kingdom
Posts: 8578
Posted: 04:08pm 19 Feb 2026
Copy link to clipboard 
Print this post

A thing of true beauty! I take my virtual hat off to you sir.  :)

If you are going to make things complicated then this is truly the way. Congratulations.  lol

.
Edited 2026-02-20 02:09 by Mixtel90
Mick

Zilog Inside! nascom.info for Nascom & Gemini
Preliminary MMBasic docs & my PCB designs
 
ville56
Guru

Joined: 08/06/2022
Location: Austria
Posts: 405
Posted: 04:53pm 19 Feb 2026
Copy link to clipboard 
Print this post

Thank you. I've never been easy and I've always known how to get simple things done the hard way.  
                                                                 
73 de OE1HGA, Gerald
 
rrroonn

Newbie

Joined: 08/02/2026
Location: Australia
Posts: 8
Posted: 08:06pm 19 Feb 2026
Copy link to clipboard 
Print this post

Wow. Impressive.
If all else fails, remain flexible and maintain a sense of humour
 
robert.rozee
Guru

Joined: 31/12/2012
Location: New Zealand
Posts: 2494
Posted: 05:12am 20 Feb 2026
Copy link to clipboard 
Print this post

that is really impressive  

where abouts exactly did you source the LCDs? i'm inclined to have a go myself.


cheers,
rob   :-)
 
ville56
Guru

Joined: 08/06/2022
Location: Austria
Posts: 405
Posted: 07:38am 20 Feb 2026
Copy link to clipboard 
Print this post

The displays are from Aliexpress, but they are available from many of the usual sources and they all seem to be the same. Only the price differs a lot.

See if they have the ST7789 controller on board. I've only tested this controller to work in the multiplexed setup. As demux decoder I use a 74HC138 for the CS signals. On thing to consider also is, the display has a geometry of 320x160 pixel, but the small side (160px) has an offset of 35, so the coordinate range is from 0,35 to 320,195. Otherwise there is no difference. The MMBasic driver I use is ST7789_320 in portrait mode. To load the images I use BLIT LOAD / BLIT WRITE / BLIT CLOSE for speed reasons. Preloading the 10 images into BLIT buffers, which would have been even faster, did not work, it caused hangs if more than 3 buffers were used. And important, leave the RESET signal of the displays unconnected or tied to HIGH. With reset connected to the signal from the pico it doesn't work. Seems as the controller does listen to RESET even if his CS is inactive. So maybe to be on the safe side RESET could be asserted by an extra output pin at startup. Didn't and have no issues so far.

My display board is a rats nest created with Vero wire, so my initial fear of having distorted CLK and SDA was unneccessary. The other signals are more or less "slowly moving DC" and have not been of concern to me.

I've also played around with ST7735S controllers/displays some time ago. They also worked in a similar setup but I've considered them as to be too small for makeing a usable clock.



Source Link




                                                                 
73 de OE1HGA, Gerald
 
Mixtel90

Guru

Joined: 05/10/2019
Location: United Kingdom
Posts: 8578
Posted: 08:18am 20 Feb 2026
Copy link to clipboard 
Print this post

Well, you can't get nixie tubes at that price any more.  :(
Mick

Zilog Inside! nascom.info for Nascom & Gemini
Preliminary MMBasic docs & my PCB designs
 
Volhout
Guru

Joined: 05/03/2018
Location: Netherlands
Posts: 5713
Posted: 09:16am 20 Feb 2026
Copy link to clipboard 
Print this post

   
Volhout
PicomiteVGA PETSCII ROBOTS
 
ville56
Guru

Joined: 08/06/2022
Location: Austria
Posts: 405
Posted: 10:59am 20 Feb 2026
Copy link to clipboard 
Print this post

If someone is interested in the Nixie bmp/jpg files I can upload them here. It is from a Z5680M tube. Found them on the web (danyk.cz) and adapted/resized/recolored them, and they are freely available if in accordance to the statements on his web page (adding your own stuff and mentioning his website danyk.cz).
                                                                 
73 de OE1HGA, Gerald
 
bfwolf
Senior Member

Joined: 03/01/2025
Location: Germany
Posts: 173
Posted: 12:30pm 20 Feb 2026
Copy link to clipboard 
Print this post

You can make even the simplest thing arbitrarily complicated...

But yes: It's quite possible that all six LCDs, including the backlight, consume less energy than one Nixie tube. I think they're hard to find these days anyway? From Russia?
 
ville56
Guru

Joined: 08/06/2022
Location: Austria
Posts: 405
Posted: 03:26pm 20 Feb 2026
Copy link to clipboard 
Print this post

Power saving is not really possible with it ... a Nixie consumed about 500 to 800 mW per digit. This is quite comparable with a small LCD display with background light. It's the voltage that is more comfortable to work with. I remember being bitten by the 150V a number of times when I was servicing equipment with Nixie displays. But that is long time ago.

Now I've changed my clock display to ET1 tubes, a genious tube design. Makes it much harder to figure out how late it is ....   but you can even see the filament glow.
                                                                 
73 de OE1HGA, Gerald
 
PeteCotton

Guru

Joined: 13/08/2020
Location: Canada
Posts: 606
Posted: 04:00pm 20 Feb 2026
Copy link to clipboard 
Print this post

Absolutely brilliant!  
 
Bleep
Guru

Joined: 09/01/2022
Location: United Kingdom
Posts: 734
Posted: 04:44pm 20 Feb 2026
Copy link to clipboard 
Print this post

Hi Gerald,
I already have several genuine IN-12 Nixie clocks, I bought the tubes about 10 years ago, luckily they seem reasonably reliable, but why not make a Pico Nixie clock as well, so yes please to the Nixie images.
Regards Kevin.
 
ville56
Guru

Joined: 08/06/2022
Location: Austria
Posts: 405
Posted: 09:29pm 20 Feb 2026
Copy link to clipboard 
Print this post

Kevin,

here you go


Z5680M-BMP.zip

Z5680M-JPG.zip

The images are tailored for the 320x170 displays, 16 colors.
Edited 2026-02-21 08:23 by ville56
                                                                 
73 de OE1HGA, Gerald
 
bfwolf
Senior Member

Joined: 03/01/2025
Location: Germany
Posts: 173
Posted: 09:34pm 20 Feb 2026
Copy link to clipboard 
Print this post

  ville56 said  I remember being bitten by the 150V a number of times when I was servicing equipment with Nixie displays. But that is long time ago.


"Electricity might hurt"..
 
v.lenzer
Regular Member

Joined: 04/05/2024
Location: Germany
Posts: 98
Posted: 05:48pm 21 Feb 2026
Copy link to clipboard 
Print this post

Hi Gerald!

A truly unique project. Simply ingenious! Would you be willing to publish the source code? I've already ordered the displays (the price is very reasonable). The circuit itself shouldn't be too complex. However, I have a question about the picture you posted. I see power LEDs behind the "Nixie tubes." Is that related to your circuit (backlighting)?

I'm currently loading your Nixie digit images from an SD card every second and displaying them on a 320x240 display. Just to see how it looks. And I have to say: it's really realistic.
Best wishes! Joachim
 
ville56
Guru

Joined: 08/06/2022
Location: Austria
Posts: 405
Posted: 07:45pm 21 Feb 2026
Copy link to clipboard 
Print this post

Hi Joachim,

sure I can post the source but I'm far from finished. So far it only displays the result of TIME$ every second, no RTC module, no DCF77, no GPS or NTP access and the comments need some enhancements too to make it readable. Currently I'm tinkering with a 3D printout for masking the displays and colons. The mechanics part is always the hardest part for me.
My plan is to have it running on a WebMite 2 using the NTP service. Same as my kitchen clock I built some time ago. Currently it runs on a WeACt RP2350B module for development, but changeing it to WebMite with NTP should be easy given I don't run into other problems like memory or so which I do not expect at the moment.

The LEDs you see are WS2812B strips with 10 leds on it for the colons. Wanted to make the blinking colons as close as possible to the colors of the nixie tubes. The problem is that the leds are much too bright compared with the LCD displays and dimming the down to an acceptable level did result in disturbed color impression. Was thinking about masking them with a (grey) filter but did not find something in my pool of fancy stuff yet. So I changed to simple yellow leds for the colons for now, with PWM brightness control. But they are still interchangeable with the WS2812 as all display stuff is mounted on a socket row and the code for them is still in.

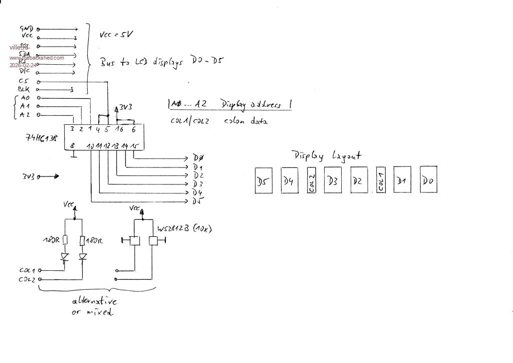
If you want the circuit I'm using I can post a scan of my schematic after I've updated it. And yes, it's quite simple just the 74HC138 for the CS signal. This would also match the the code then (pin-numbers in the code and signals in the HW).
                                                                 
73 de OE1HGA, Gerald
 
Print this page


To reply to this topic, you need to log in.

The Back Shed's forum code is written, and hosted, in Australia.
© JAQ Software 2026