Home
JAQForum Ver 24.01
Log In or Join  
Active Topics
Local Time 15:46 20 Feb 2026 Privacy Policy
Jump to

Notice. New forum software under development. It's going to miss a few functions and look a bit ugly for a while, but I'm working on it full time now as the old forum was too unstable. Couple days, all good. If you notice any issues, please contact me.

Forum Index : Microcontroller and PC projects : Protecting PC USBs

Author Message
Andrew_G
Guru

Joined: 18/10/2016
Location: Australia
Posts: 874
Posted: 01:11am 28 Feb 2018
Copy link to clipboard 
Print this post

Hi all,
What do you do to protect your PC's USB from wiring errors/shorts in MM and other circuits?
Do you just plug your console straight to the USB port, for 5V and comms, or do you have any protective device?
(I use MMEdit - thanks Jim).

I had a close call when I connected my latest creation (via a USB to Serial adapter) to my PC's USB - a rude message about excessive current etc and it was clearly not happy. No smoke but the USB stopped working until I rebooted. It seems OK now . . .

Cheers, Andrew

(I HAD carefully checked the veroboard circuit but there was a very small bridge between two strips).
 
TassyJim

Guru

Joined: 07/08/2011
Location: Australia
Posts: 6456
Posted: 02:01am 28 Feb 2018
Copy link to clipboard 
Print this post

Your PC 'should' have over current protection but I wouldn't like to test it too often.

I use a USB hub to give physical protection to the ports. It's easy to replace the hub if a port gets damaged.
It's a powered hub but usually runs without the external power. Most of my devices are powered separately.

A hub also means that I can easily reach the ports.

Jim
VK7JH
MMedit
 
Grogster

Admin Group

Joined: 31/12/2012
Location: New Zealand
Posts: 9877
Posted: 02:48am 28 Feb 2018
Copy link to clipboard 
Print this post

I use a Hub too for the reasons Jim mentions.
Smoke makes things work. When the smoke gets out, it stops!
 
OA47

Guru

Joined: 11/04/2012
Location: Australia
Posts: 1036
Posted: 06:16am 28 Feb 2018
Copy link to clipboard 
Print this post

I USE A HUB TOO NOW

The notebook didn't take too kindly getting 12V fed back into the USB.....Edited by OA47 2018-03-01
 
G8JCF

Guru

Joined: 15/05/2014
Location: United Kingdom
Posts: 676
Posted: 02:29am 01 Mar 2018
Copy link to clipboard 
Print this post

USB ports are usually protected by a 500mA self-resetting fuse, or polyfuse, see https://elinux.org/Polyfuses_explained so a short circuit "shouldn't" cause damage.Edited by G8JCF 2018-03-02
The only Konstant is Change
 
SteveA
Regular Member

Joined: 10/03/2017
Location: United Kingdom
Posts: 49
Posted: 08:48am 01 Mar 2018
Copy link to clipboard 
Print this post

My Flukescope has a optically isolated serial i/o, for which Fluke sell a very expensive USB lead.

I made my own with a FTDI module, and an ir led and sensor, ripped from an old remote control. It works in both directions, I can send commands to the scope and receive plots/readings from the it.

At 9600bps it works very reliably.
 
Andrew_G
Guru

Joined: 18/10/2016
Location: Australia
Posts: 874
Posted: 09:14am 01 Mar 2018
Copy link to clipboard 
Print this post

Thanks to you all - much appreciated.
I'm off to get a hub sometime soon!

Thanks,

Andrew
 
WhiteWizzard
Guru

Joined: 05/04/2013
Location: United Kingdom
Posts: 2960
Posted: 10:08am 01 Mar 2018
Copy link to clipboard 
Print this post

  SteveA said  At 9600bps it works very reliably.


@SteveA

At what maximum speed do you think an IR approach could work reliably (over a very short distance)? Curious to know if you tried it
 
SteveA
Regular Member

Joined: 10/03/2017
Location: United Kingdom
Posts: 49
Posted: 11:52am 01 Mar 2018
Copy link to clipboard 
Print this post

  WhiteWizzard said   At what maximum speed do you think an IR approach could work reliably (over a very short distance)? Curious to know if you tried it


I built mine into an old 9 pin d plug housing which plugs into the scope, so the optical distance is probably only 2 to 3mm.

9600 is as fast as my scope will go, so I don't know how much the faster the adaptor could be pushed. In the URL below users have tried 19200, but have experienced problems.

Circuit diagram here: Circuit and discussion

 
WhiteWizzard
Guru

Joined: 05/04/2013
Location: United Kingdom
Posts: 2960
Posted: 04:31pm 01 Mar 2018
Copy link to clipboard 
Print this post

Thanks for the useful link Steve
 
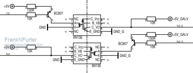
Frank N. Furter
Guru

Joined: 28/05/2012
Location: Germany
Posts: 1046
Posted: 08:45am 02 Mar 2018
Copy link to clipboard 
Print this post

This circuit worked with up to 115200 bps for me....



 
WhiteWizzard
Guru

Joined: 05/04/2013
Location: United Kingdom
Posts: 2960
Posted: 08:59am 02 Mar 2018
Copy link to clipboard 
Print this post

Thanks Frank for that circuit; however, the circuit I need has to have 'physically' separate IR Tx's and Rx's.

My two concerns are 'crosstalk' and speed limit.

Currently unable to try much due to lack of fast IR parts in my spares bin; so more of a theoretical build at the moment!
 
Azure

Guru

Joined: 09/11/2017
Location: Australia
Posts: 446
Posted: 06:15am 03 Mar 2018
Copy link to clipboard 
Print this post

@WW

Can you explain a little more about your requirements needs like speed, distance, environment, power sources, etc might be able to offer suggestions if we know more.
 
Print this page


To reply to this topic, you need to log in.

The Back Shed's forum code is written, and hosted, in Australia.
© JAQ Software 2026