Home
JAQForum Ver 24.01
Log In or Join  
Active Topics
Local Time 23:54 07 May 2026 Privacy Policy
Jump to

Notice. New forum software under development. It's going to miss a few functions and look a bit ugly for a while, but I'm working on it full time now as the old forum was too unstable. Couple days, all good. If you notice any issues, please contact me.

Forum Index : Microcontroller and PC projects : sensing 220vac

Author Message
drkl

Senior Member

Joined: 18/10/2015
Location: Hungary
Posts: 102
Posted: 07:31am 10 Jun 2018
Copy link to clipboard 
Print this post

Hello,
What is the simplest method for sensing 220vac by micromite?
drk
 
Chopperp

Guru

Joined: 03/01/2018
Location: Australia
Posts: 1125
Posted: 07:44am 10 Jun 2018
Copy link to clipboard 
Print this post

Hi,

The safest way is with a 220V to low volts transformer then rectifying & filtering the output. The resulting output would need to be <3.3V for the maximum expected input.
ChopperP
 
TassyJim

Guru

Joined: 07/08/2011
Location: Australia
Posts: 6515
Posted: 08:29am 10 Jun 2018
Copy link to clipboard 
Print this post

What do you want to do?
Sence that AC is present?
Or record the RMS voltage?
Or do you want to record the AC waveform?

for the latter, see this discussion from a few years ago
https://www.thebackshed.com/forum/forum_posts.asp?TID=7158&KW=disturbance+recorder

If you are looking at reading the RMS, rectify the transformer secondary at a relatively high voltage then use a resistor divider to bring it down to 3.3V range. That way the voltage drops in the rectifier diodes is less of a problem and save going for a precision rectifier circuit.

Jim
VK7JH
MMedit
 
CaptainBoing

Guru

Joined: 07/09/2016
Location: United Kingdom
Posts: 2171
Posted: 04:32pm 10 Jun 2018
Copy link to clipboard 
Print this post

  Chopperp said   Hi,

The safest way is with a 220V to low volts transformer then rectifying & filtering the output. The resulting output would need to be <3.3V for the maximum expected input.


nah, safest way is an opto coupler. Two of them with the diodes in reverse parallel between L & N and the transistors in parallel. Not much info but if you just want to know it's there, two checks 10mS apart - either one being true shows you have something above 2V on the mains.

Three components: 180K 1/2W resistor in series with the diodes (slightly under wattage but as it isn't a constant flow it'll be fine), a two-pack opto and then a 10K pull up to VCC for the trannies working in common emitter. Active LO output on the collectors, straight into you sense input.

Failing that just stick your finger on it - if it gets heavy really quickly and you want to drop it, it's live - JOKE! DO NOT STICK YOUR FINGER ON IT! Edited by CaptainBoing 2018-06-12
 
Paul_L
Guru

Joined: 03/03/2016
Location: United States
Posts: 769
Posted: 08:51pm 10 Jun 2018
Copy link to clipboard 
Print this post

Two ways of sensing 220vac simply occur to me.

One is to plug a small regulated wall wart power supply into the mains voltage and check for its DC output voltage. It will provide enough capacitive filtering to bridge many cycles of the line frequency, however it will also maintain its output voltage for a short period after a mains shutdown.

An alternate would be to use the $0.85 US ON Semi/Fairchild 512 logic output optocoupler with schmitt trigger in a 6 pin dip but you will have to mount it on a PCB and fool around with a series current limiting resistor and monitor its output at multiple times during each cycle of the line frequency.

https://www.fairchildsemi.com/datasheets/H1/H11L1M.pdf

Paul in NY
 
CircuitGizmos

Guru

Joined: 08/09/2011
Location: United States
Posts: 1427
Posted: 10:05pm 10 Jun 2018
Copy link to clipboard 
Print this post


On Ebay:

240V 220V AC Mains Sensor opto-isolator optoisolator optocoupler 5V 3.3V Arduino

https://www.ebay.com/itm/240V-220V-AC-Mains-Sensor-opto-isolator-optoisolator-optocoupler-5V-3-3V-Arduino/272619019157?h ash=item3f795c1b95:m:myE43YEiZUq1yUTpsK0I5CQ



Micromites and Maximites! - Beginning Maximite
 
Chopperp

Guru

Joined: 03/01/2018
Location: Australia
Posts: 1125
Posted: 10:33pm 10 Jun 2018
Copy link to clipboard 
Print this post

I still think the safest method for the hobbiest is using an AC plug pack / wall wart if you want to detect zero cross-over as I am currently doing or a DC unit as others have suggested particularly when experimenting.

Optocouplers etc would be OK in a final product mounted in a proper enclosure. It's too easy to do do damage to yourself &/or equipment when playing with live mains. Connecting a Scope earth or your finger to the Active lead is a good example. An isolation mains transformer is essential for this sort of work.

My 2c worth.
ChopperP
 
Quazee137

Guru

Joined: 07/08/2016
Location: United States
Posts: 603
Posted: 10:39pm 10 Jun 2018
Copy link to clipboard 
Print this post

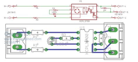
Two parts I have had to used HCPL3700 and MID400

2018-06-11_062309_MAINS_DECT.zip





and cheap 3 phase detector



On a PLC interface we could not use wall wart so we use this





Edited by Quazee137 2018-06-12
 
Print this page


To reply to this topic, you need to log in.

The Back Shed's forum code is written, and hosted, in Australia.
© JAQ Software 2026