Home
JAQForum Ver 24.01
Log In or Join  
Active Topics
Local Time 13:17 18 Feb 2026 Privacy Policy
Jump to

Notice. New forum software under development. It's going to miss a few functions and look a bit ugly for a while, but I'm working on it full time now as the old forum was too unstable. Couple days, all good. If you notice any issues, please contact me.

Forum Index : Microcontroller and PC projects : Micromite Explore 100 - versions, revisions, schematics and PCBs.

Author Message
MustardMan

Senior Member

Joined: 30/08/2019
Location: Australia
Posts: 175
Posted: 10:06pm 01 Sep 2019
Copy link to clipboard 
Print this post

I purchased an Explore 100 that is marked 'Version 1D' on the PCB.

The only schematic I could find for the Explore 100 was marked 'V5 May 2016'.

All the images I could find (where I could see the PCB version number) were either 'Version 1A' or 'Version 1B'.

It is possible the schematic (v5) matches the earlier PCBs (v1A and v1B), but I can't tell, and it certainly doesn't match the PCB I have. It is good to see active development on the design, but the inconsistent numbering/labelling of PCBs and schematics is abysmal!

Wouldn't it make a whole lot more sense to 'version' the schematic '1A' or '1B', or label the PCB 'V5'?

I don't know if Geoff just does the MMbasic coding, or if he gets involved in the hardware at all, but the 'Explore 100' section of his website is very out of date with a picture of the Explore 100 version 1A, and the older 'V5' schematic. There are also procedures/documentation referred to in the user manual which don't appear on the site (at least not that I could find).

Please, can somebody direct me to where can I find the schematic that matches my PCB... the Version 1D?

Thanks,
MM
 
SimpleSafeName

Guru

Joined: 28/07/2019
Location: United States
Posts: 351
Posted: 10:26pm 01 Sep 2019
Copy link to clipboard 
Print this post

Where did you purchase your Explore 100?

Ah, try here:

https://www.thebackshed.com/forum/ViewTopic.php?TID=10729
Edited 2019-09-02 08:29 by SimpleSafeName
 
panky

Guru

Joined: 02/10/2012
Location: Australia
Posts: 1117
Posted: 11:31pm 01 Sep 2019
Copy link to clipboard 
Print this post

@MM,

The version 1D board is (I think) the latest version of the Explore 100 PCB from Rictech in NZ (if it has the SD card connector on the back of the board). It includes a PIC32F1455 chip to allow on board programming without a PICKIT.

Grogster (from RICTECH) is your man for a schematic of this board - he is almost always watching TheBackShed so may well respond.

The latest version of the PCB from Silcon Chip (to my knowledge) was version 1B and the circuit for that is V5 on Geoff's site.

panky
... almost all of the Maximites, the MicromMites, the MM Extremes, the ArmMites, the PicoMite and loving it!
 
MustardMan

Senior Member

Joined: 30/08/2019
Location: Australia
Posts: 175
Posted: 08:45am 02 Sep 2019
Copy link to clipboard 
Print this post

@SimpleSafeName
I purchased my Explore 100 from www.micromite.org fully assembled. Although I am fully capable of putting it together myself, I bought it for commercial development and as they say, time is money, and it would have cost me more in time to put it together... time the customer does not want to pay for! That said, it ended up at about $180 AUS without an LCD, so add $50 on top of that. Pretty pricey compared to an Arduino DUE (I ended up getting one of those too).

Anyway, the site advertises the 1B version, but obviously the site is out of date! Just like the NZ site really... perhaps the 1D is actually quite new, which begs the question, did 1C go missing in time somewhere?

Thanks for the thread link. It will take a while to read it all, but a quick skim revealed no schematics.

@panky
Indeed, the 1D version has the '1455 chip, which I must say was a nightmare to set up with Windows 7 and Windows XP (still not managed to get it working on XP). It did work straight up with Windows 10 though... for a while I thought I had a bad board.

Once working, it works absolutely great though! That '1455 is a real bonus addition... now if only Windows would (could!) behave itself  

MM
 
panky

Guru

Joined: 02/10/2012
Location: Australia
Posts: 1117
Posted: 09:03am 02 Sep 2019
Copy link to clipboard 
Print this post

@MM
Micromite.org is the home of Whitewizzard, a longtime Backshed member and he is the European distributor for some of Grogsters (Rictech) boards.

Again, if WW or Grogster are looking on, maybe you could assist MM?

For MM, I suggest a PM to Grogster reqesting a schematic for the 1D board

panky.
... almost all of the Maximites, the MicromMites, the MM Extremes, the ArmMites, the PicoMite and loving it!
 
Tinine
Guru

Joined: 30/03/2016
Location: United Kingdom
Posts: 1646
Posted: 11:47am 04 Sep 2019
Copy link to clipboard 
Print this post

  MustardMan said  @SimpleSafeName

time is money

Pretty pricey compared to an Arduino DUE

MM


When you consider the time taken to develop/debug your code, the first statement will show you that the DUE was ridiculously expensive....but nothing to do with the purchase price of the hardware.

 
 
Grogster

Admin Group

Joined: 31/12/2012
Location: New Zealand
Posts: 9877
Posted: 12:42am 06 Sep 2019
Copy link to clipboard 
Print this post

Sorry I am so late to this thread, I have been quite busy lately, and have not had as much time to lurk in the forums.

I have PM'd with MustardMan, but just for anyone else reading this thread, some history on the E100:

- The original prototype was the 1A board, that used a micro-USB socket for the power connector.  This board really never made it past me, Geoff, Phil(micromite.org) and I think that Peter(matherp) also has one of those early prototype boards.  The 1A was sold in VERY small numbers to a few people, but most people DON'T have that early board.

- The 1B version of the board changed the micro-USB socket for a DC barrel socket, and there were some internal layer track changes.  The 1B was the board that most people ended up buying.

- The 1C version of the board had the 1455 chip added as a SMD chip, but it was decided that it would be better to make that optional, as many people had already started using external CP2102 USB-serial modules on CON6 on the 1B's, and changing the board so that the 1455 was on it and doing away with CON6 was though to be a bad move, as then all those with the external adaptors would not be able to use them.  I don't think that the 1C version of the board ever made it past prototyping and I am reasonably sure that no-one has that version of the board.

- So version 1D came about because of wanting to make the 1455 chip optional, allowing people to continue to use their external USB adaptors on CON6.  Version 1D allows for the 1455 chip as an optional extra in DIL footprint, and the USB pins on the PIC32 chip have been disconnected.  To use the USB socket on the 1D, you MUST have the DIL 1455 chip installed.  Any kits sold in the future, will include the 1455 chip in a socket, and if you don't want to use it and would rather use an external adaptor on CON6, you simply pull the 1455 chip out of its socket.  It was also decided at that time, to put a micro-SD card socket on the back of the PCB.  Silicon Chip modified my Gerber files to do the same when they published the board, but they put their socket beside the 3940 regulator.  I put mine elsewhere, so as not to infringe on the copyright that SC now held for the board.

As to the schematics, Geoff gave me the initial one, and I laid out the E100 board from that.  Unfortunately, with me doing PCB revisions, Geoff never updated the schematics, and that is not his fault - I should have told him what I did, and he could rustle up a new schematic.  It would be a good idea for the schematic diagram to match the PCB version number, I agree.  That is a bit of a F-up and is understandably confusing to newcomers to the board.

I will draw a new schematic for the 1D soon, and post it here.  I will also email Geoff just in case he does not read this thread.

EDIT: Oh, and on the 1455 drivers for Win7/XP, the driver package from my website should work for XP and Win7.  As you know, Win10 knows about that chip, and no drivers are needed on that OS.  Linux is the same - no drivers needed.  Your XP version MUST have SP3(Service Pack 3) installed.  The driver WILL NOT work on an XP machine that does not have SP3 installed, as it needs some of the changes that SP3 does to an XP machine.  Win7 should not fight you as much as XP might with the driver, as Win7 is newer.  I would sill recommend you have a fully updated Win7 though before making the attempt.  Very early un-updated Win7 machines might have the same issue as un-updated XP machines do.
Edited 2019-09-06 10:56 by Grogster
Smoke makes things work. When the smoke gets out, it stops!
 
MustardMan

Senior Member

Joined: 30/08/2019
Location: Australia
Posts: 175
Posted: 11:42am 06 Sep 2019
Copy link to clipboard 
Print this post

@Tinine
The choices I had were an Arduino platform, or a Micromite platform. My project is big on the "pretty factor"... in fact, that is the sole driver for the project! I am to replace a two line monochrome character LCD and keypad with a colour touch screen. EXACTLY the same function, just nice looking.

Both platforms have pluses, and both have minuses.
The Arduino platform is cheaper (hardware wise) and the code ends up being written in C (essentially) which is far more palatable to most. I didn't look at the libraries to see what support there was for LCD panels, but no doubt it would be good.
The Micromite platform is more expensive (hardware wise) but the support for pretty graphics and controls (on the Explore 100) is awesome. But after showing the concept, I would take a good guess I'll be asked to rewrite it in something other than BASIC (even though BASIC would be fine).

I'm curious as why you think my assertion (which could very well be wrong) is wrong?

@Grogster
Very detailed explanation of the versions, and I like the fact you've chosen a socket/DIL instead of a fixed-on SMD.
Good point on the XP SP3...


Cheers,
MM
 
panky

Guru

Joined: 02/10/2012
Location: Australia
Posts: 1117
Posted: 12:12pm 06 Sep 2019
Copy link to clipboard 
Print this post

@MM,

IMHO, it really is far more omportant to consider your end user requirements and development situation than to get hung on on BASIC v anything else.

The E100 has much greater inbuilt I/O  capability than almost all of the Arduinos.

Also if you want "pretty" and are familiar with BASIC, then again, I think the E100 might have the edge. If you are very familiar with C, then the graphics libraries with the Arduino may be the way to go.

Re the E100, do you really need all the I/O?  If not then there are a few other (cheaper too) options using the 64 pin 470, still having all the graphics capabilities.

panky.
... almost all of the Maximites, the MicromMites, the MM Extremes, the ArmMites, the PicoMite and loving it!
 
lizby
Guru

Joined: 17/05/2016
Location: United States
Posts: 3616
Posted: 04:58pm 06 Sep 2019
Copy link to clipboard 
Print this post

  panky said  ... there are a few other (cheaper too) options


Not to mention the MMBasic ArmMite F4 --lots of pins and 3.2" 320x240 LCD included all-in for about $25 U.S.--if the LCD is large enough.

For fast proof of concept this could be a good option, even if BASIC is somehow deprecated for a final version.
PicoMite, Armmite F4, SensorKits, MMBasic Hardware, Games, etc. on fruitoftheshed
 
MustardMan

Senior Member

Joined: 30/08/2019
Location: Australia
Posts: 175
Posted: 10:53pm 06 Sep 2019
Copy link to clipboard 
Print this post

@panky
Although starting to get a bit OT... the development board (in whatever form) will not end up in the final product, it is for development only. Interesting you talk about I/O, because the only I/O I need is for the display (including touch), and for one communications port. No USB, or SD, or anything else. OK, ICSP then! Respinning the PCB into a custom shape & only with the required parts will probably take me a week (including fully cross-referenced BOM, schematics, layout, build instructions, etc). Firmware... to get it bug "free"... probably two weeks.

But, the decision is made now. I got the Explore 100 up and running first, with the arduino arriving later (ebay and all that) and by then...
Regardless of the language it uses, it contains a great graphics library I can utilise.

@lizby
Funny you should mention the F4... I'd only yesterday stumbled on the thread that talks about that very board https://www.thebackshed.com/forum/ViewTopic.php?TID=11324&PID=133816#133816#133816
Definately one to put in the back of my mind for something future...

Cheers,
MM.
 
erbp
Senior Member

Joined: 03/05/2016
Location: Australia
Posts: 195
Posted: 12:13am 07 Sep 2019
Copy link to clipboard 
Print this post

  lizby said  
Not to mention the MMBasic ArmMite F4 --lots of pins and 3.2" 320x240 LCD included all-in for about $25 U.S.--if the LCD is large enough.


Don't forget the F4 can also drive the larger SSD1963 based LCDs - from around 4 or 5 inch all the way up to the East Rising 9 inch model. You just need an adapter to connect from the 32 pin F4 LCD output header to the 40 pin connector on the LCD screen. I have a F4 working with an ER 9 inch LCD at the moment and have tested with both 5 and 7 inch LCDs as well. Of course a larger screen increases the cost, but just saying you are not limited to the 3.2 inch one.

Cheers,
Phil.
 
TrevorH
Senior Member

Joined: 06/04/2018
Location: United Kingdom
Posts: 145
Posted: 04:46pm 07 Sep 2019
Copy link to clipboard 
Print this post

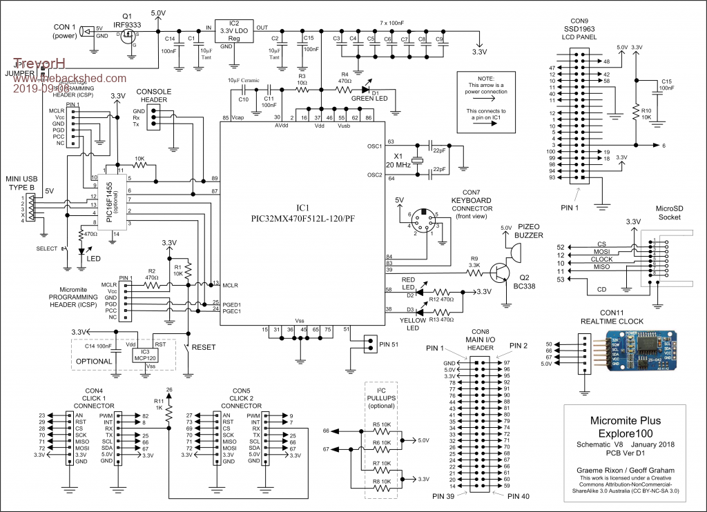
@MustardMan
Here is E100 V1D.





TrevorH
 
Grogster

Admin Group

Joined: 31/12/2012
Location: New Zealand
Posts: 9877
Posted: 01:42am 08 Sep 2019
Copy link to clipboard 
Print this post

Yes, this one IS the current version.  It has the 1455 chip and uSD card socket pinouts on it.  I obviously had forgotten that Geoff must actually have updated it back in Jan 2018!  

Nice one, TrevorH!    
Smoke makes things work. When the smoke gets out, it stops!
 
MustardMan

Senior Member

Joined: 30/08/2019
Location: Australia
Posts: 175
Posted: 05:14am 08 Sep 2019
Copy link to clipboard 
Print this post

@TrevorH

Great!!

Many, many thanks. And it is awesome you've marked in the title box what PCB revision number it is. That will make it so much clearer to newcomers (like me).

MM.
 
Tinine
Guru

Joined: 30/03/2016
Location: United Kingdom
Posts: 1646
Posted: 10:57am 08 Sep 2019
Copy link to clipboard 
Print this post

  MustardMan said  @Tinine

I'm curious as why you think my assertion (which could very well be wrong) is wrong?

MM


I have chosen the E100 as the new platform that is now putting food on my table.

It cost £75 which I consider to be nothing....why? Because time really is money and I don't know of any other solution that wouldn't have taken me hundreds of hours more to get the job done.

I completed my first ever installation without needing the schematics...only the pin assignments...what else is there to know?
 
Print this page


To reply to this topic, you need to log in.

The Back Shed's forum code is written, and hosted, in Australia.
© JAQ Software 2026