Home
JAQForum Ver 24.01
Log In or Join  
Active Topics
Local Time 15:24 06 May 2026 Privacy Policy
Jump to

Notice. New forum software under development. It's going to miss a few functions and look a bit ugly for a while, but I'm working on it full time now as the old forum was too unstable. Couple days, all good. If you notice any issues, please contact me.

Forum Index : Microcontroller and PC projects : Project suggestion, update the ASCII Video Terminal by Geoff Graham

Author Message
phil99

Guru

Joined: 11/02/2018
Location: Australia
Posts: 3186
Posted: 07:30am 15 Aug 2020
Copy link to clipboard 
Print this post

A project suggestion - update the ASCII Video Terminal by Geoff Graham With ICSP Output and it would become a Swiss Army Knife for Micromites. It could also be built into a Micromite LCD backpack in place of the microbridge to make a stretched version. A micro maximite or maxi micromite?

Below are two suggestions for the hardware but the real work is in the C programming which is beyond me.
Hopefully there is room for the extra code, Peter Mather's CFunction in Pic32prog.BAS (from MM Flash) is 6 to 7 KB so I guess it will be at least that much extra. As the Pic32prog.BAS CFunction works in PIC32MX chips it may be a good starting point for the project.

 
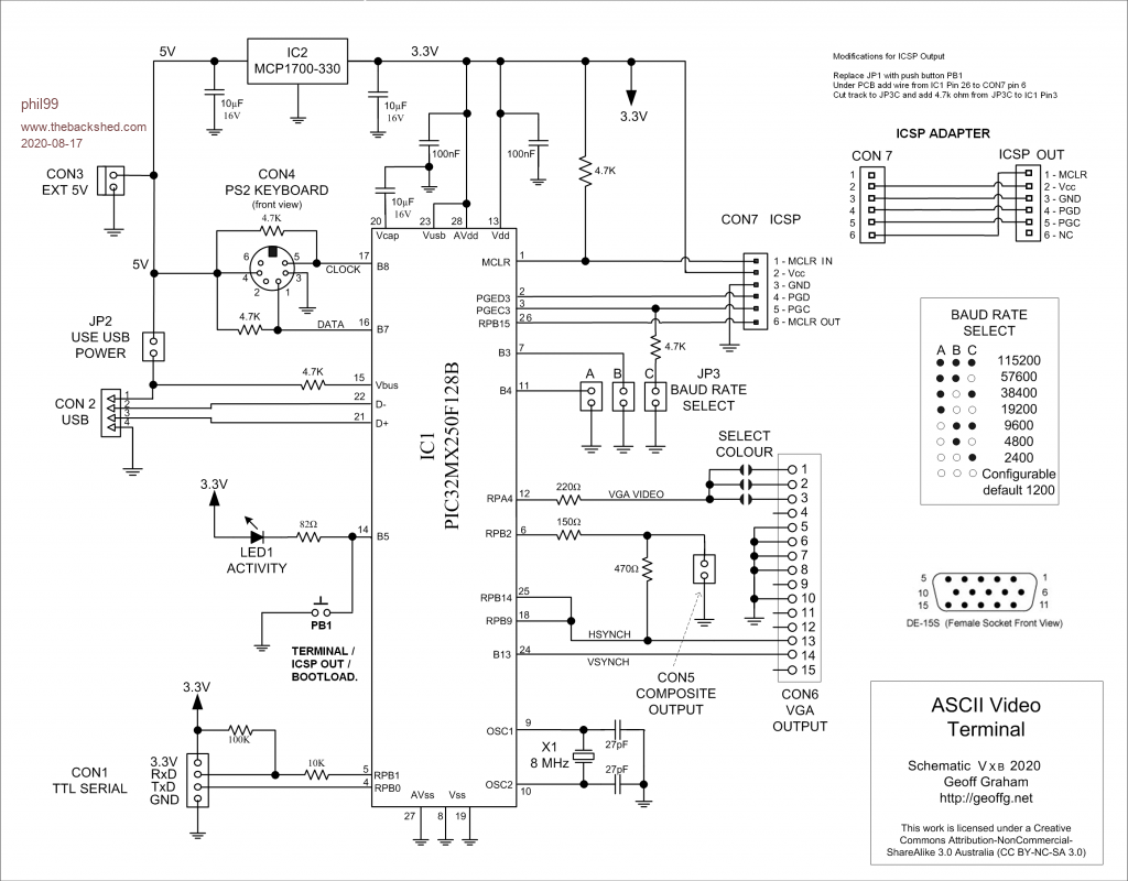
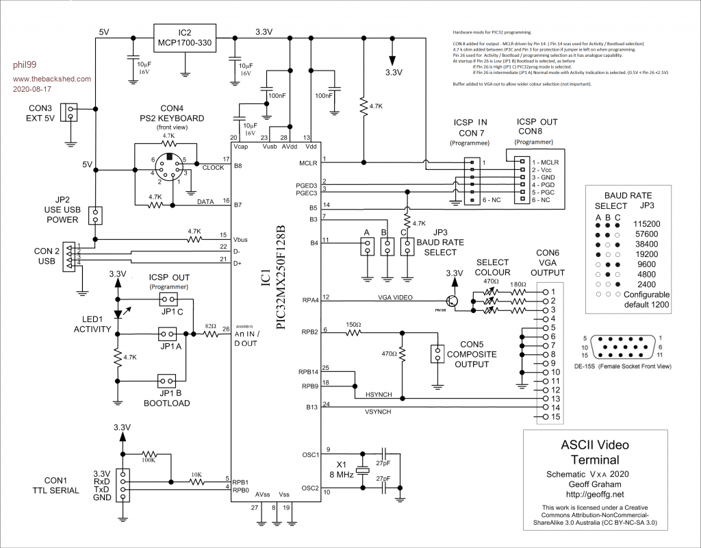
A - For a choice of 3 modes without using extra pins an analogue input is needed. The present mode select pin (14) is I think, digital only, so the Mode select pin is changed from 14 to 26 (the only spare pin).
Pin 14 now used for MCLR output. PGD and PGC input pins reused for PGD and PGC output in "ICSP Out" mode.
To protect pin 3 of the IC during output, the track to JP3C has a 4.7k resistor in series. Relying rembering to remove the jumper before programming is risky.

B - Another way is a push-button replacing the pin 14 "bootload" jumper JP1 to cycle through the options, as per microbridge, with the LED blink rate or blink pattern indicating status. Pin 26 used for MCLR output.
If the "bootload" mode can only be initiated at startup it will be necessary hold the button down while powering up.
The extra hardware for this method is so simple the same PCB can be used.
IC1 Pin 26 is routed to unused pin 6 of the ICSP header, with a short adapter lead for ICSP output. At the input socket end of the adapter pin 1 is left empty and pin 6 is routed to pin 1 at the output socket end. Pins 2 to 5 go one to one. To protect pin 3 of the IC during output, cut the track to JP3C and solder a 4.7k resistor from JP3C to IC1 pin 3. Relying rembering to remove the jumper before programming is risky.

I can email circuit diagrams if anyone wants to have a go at it.
 
robert.rozee
Guru

Joined: 31/12/2012
Location: New Zealand
Posts: 2512
Posted: 06:26pm 15 Aug 2020
Copy link to clipboard 
Print this post

hi phil,
   adding in ascii ICSP support is relatively simple, all commands consisting of just a single (printable) ascii character. the original prototype hardware was in fact a short mmbasic program (no C-functions) running on an MX150. but this is the easy part.

the larger problem is that PS/2 keyboards are becoming increasingly hard to find these days, with a USB keyboard rapidly becoming the only option. and if you have a USB keyboard connected to an MX250 or MX270 (running in USB host mode), you can NOT also use USB back to a PC (USB device mode) at the same time.  

the analogy that comes to mind here is a combined fork and knife, with knife at one end of the handle and fork at the other!

so you end up needing to have TWO devices, an MX270 (video and USB keyboard) and something like a 1455 (USB bridge to PC). and if you go this way, why bother having them on the same PCB?


there is also the minor point that the video output from any 28-pin MX device is limited to analog VGA, either B&W or (possibly, with an MX270) 3 colours + black. this is because the 28-pin DIP MX devices only have 2 SPI channels available, with each SPI channel generating ONE bit of the video content. this doesn't compare too well against a $10 RPi zero, or a cheap re-purposed laptop.


cheers,
rob   :-)
 
phil99

Guru

Joined: 11/02/2018
Location: Australia
Posts: 3186
Posted: 01:07am 16 Aug 2020
Copy link to clipboard 
Print this post

Hi Rob,
Thanks for the info. Though it may be of little interest to others, old keyboards are not a problem for a geriatric like me. If it can be done in MMBasic I might have another go at it. My introduction to to programming was in Fortran II, you never got to see a computer you sent in the punch cards and got a printout next day.

Phil
 
phil99

Guru

Joined: 11/02/2018
Location: Australia
Posts: 3186
Posted: 08:04am 17 Aug 2020
Copy link to clipboard 
Print this post

Circuit diagrams for above



 
Print this page


To reply to this topic, you need to log in.

The Back Shed's forum code is written, and hosted, in Australia.
© JAQ Software 2026