Home
JAQForum Ver 24.01
Log In or Join  
Active Topics
Local Time 04:11 16 Feb 2026 Privacy Policy
Jump to

Notice. New forum software under development. It's going to miss a few functions and look a bit ugly for a while, but I'm working on it full time now as the old forum was too unstable. Couple days, all good. If you notice any issues, please contact me.

Forum Index : Microcontroller and PC projects : STM32L4 circuit

     Page 1 of 2    
Author Message
lew247

Guru

Joined: 23/12/2015
Location: United Kingdom
Posts: 1708
Posted: 01:14pm 03 Nov 2020
Copy link to clipboard 
Print this post

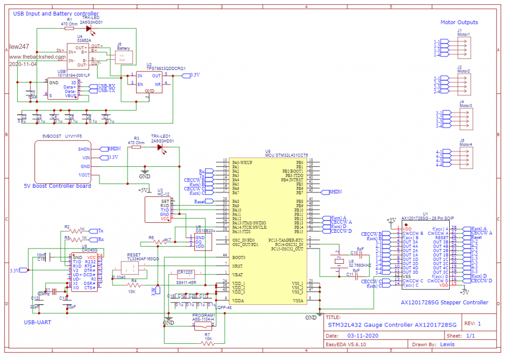
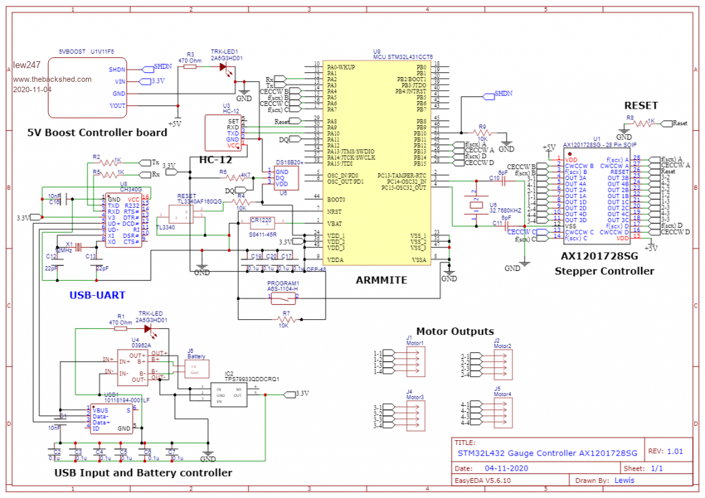
Would people be so kind as to check my circuit and see if you can spot any mistakes please?

It's for an STM32L431CCT6 driving an AX1201728SG stepper motor controller
It has USB to Uart, 5V boost converter, HC-12 and DS18B20 as well
Hopefully I've got the circuit so it can be used both as a console and programming via usb




Schematic.pdf
 
lizby
Guru

Joined: 17/05/2016
Location: United States
Posts: 3612
Posted: 02:12pm 03 Nov 2020
Copy link to clipboard 
Print this post

I can't judge overall, but where is your SHDN line coming from?

To satisfy curiosity, what is the application? [EDIT: Oh, I see it's for your gauge control task.]
Edited 2020-11-04 00:15 by lizby
PicoMite, Armmite F4, SensorKits, MMBasic Hardware, Games, etc. on fruitoftheshed
 
lew247

Guru

Joined: 23/12/2015
Location: United Kingdom
Posts: 1708
Posted: 02:50pm 03 Nov 2020
Copy link to clipboard 
Print this post

Well spotted
It "will be" coming from pin 43

I just learnt to check what is being deleted when you press the delete button
Deleted the whole project! have to start again from scratch  
Thankfully I can use the pdf I just downloaded from here as a basis to start again

 
Volhout
Guru

Joined: 05/03/2018
Location: Netherlands
Posts: 5687
Posted: 04:03pm 03 Nov 2020
Copy link to clipboard 
Print this post

C187... C20 do not gave ground connection
reset switch connected wrong (R4 to pin 7, switch pin 7 to ground)
CH340 pin 1 not connected to ground
U1 RESET pin should have a resistor to force reset when power applied until STM32 executes code. Same for SHDN pin. The boost convertor should not start until the STM commands.
U2 pin 2 (GND) not connected to GND
Maybe add a jumper to HC12 pin 5 (SET) so you can configure it from the STM32.
USB1 connector seems to have a connection between pin 1 (Vbus) and pin 5 (GND), and neither is connected to GND.
C10 and C11 do not have connection to GND.
PicomiteVGA PETSCII ROBOTS
 
lew247

Guru

Joined: 23/12/2015
Location: United Kingdom
Posts: 1708
Posted: 08:09pm 03 Nov 2020
Copy link to clipboard 
Print this post

Thanks, redoing it but it will take a day or so - have to start again
 
lew247

Guru

Joined: 23/12/2015
Location: United Kingdom
Posts: 1708
Posted: 11:31am 04 Nov 2020
Copy link to clipboard 
Print this post

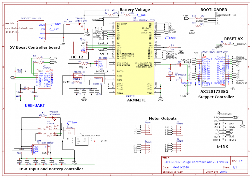
Updated and I "think" it's all correct
but I stand to be corrected





Schematic_New1.pdf
Edited 2020-11-04 22:11 by lew247
 
Volhout
Guru

Joined: 05/03/2018
Location: Netherlands
Posts: 5687
Posted: 12:16pm 04 Nov 2020
Copy link to clipboard 
Print this post

This does not make sense to me (RESET hardwired to gorund)



Also R7 and PROGRAM1 must connect to BOOT0 pin on STM32

R1 should connect to IN+, not IN-
Edited 2020-11-04 22:17 by Volhout
PicomiteVGA PETSCII ROBOTS
 
lew247

Guru

Joined: 23/12/2015
Location: United Kingdom
Posts: 1708
Posted: 01:14pm 04 Nov 2020
Copy link to clipboard 
Print this post

Think I've fixed the issues, hopefully made it slightly easier to see in the picture







Schematic_New1.pdf
Edited 2020-11-04 23:51 by lew247
 
Volhout
Guru

Joined: 05/03/2018
Location: Netherlands
Posts: 5687
Posted: 01:51pm 04 Nov 2020
Copy link to clipboard 
Print this post



Do you have 2 reset switches ?
PicomiteVGA PETSCII ROBOTS
 
lew247

Guru

Joined: 23/12/2015
Location: United Kingdom
Posts: 1708
Posted: 02:25pm 04 Nov 2020
Copy link to clipboard 
Print this post

Later version fixed that hopefully





 
lizby
Guru

Joined: 17/05/2016
Location: United States
Posts: 3612
Posted: 03:52pm 04 Nov 2020
Copy link to clipboard 
Print this post

As I read it, NRST is connected directly to 0V, and also, through a 10K resistor, to 3V3. Are you sure you want the link to the right of GND connecting up to a line which goes to the left of CR1220 and on to NRST?

Something seems wrong there. Actually, as Volhout has it, the dot at "2" left of the CR1220 should not be there. (But then I'm not sure how the TL3340 should be connected.)

~
Edited 2020-11-05 01:54 by lizby
PicoMite, Armmite F4, SensorKits, MMBasic Hardware, Games, etc. on fruitoftheshed
 
Volhout
Guru

Joined: 05/03/2018
Location: Netherlands
Posts: 5687
Posted: 04:09pm 04 Nov 2020
Copy link to clipboard 
Print this post

The only source I found for TL3340 is a mechanical push button switch.
10k pullup to 3.3V
Pushbuttonswitch to ground
That should do it for reset.

The other switch was originally connected to BOOT0 (probably a slide switch)
Now it is also connected to NRST (if I understand the intention of the schematics right). So there are 2 reset switches.
The BOOT0 now goes to a jumper. That may be better anyway.
So one of the switches can be removed.

And NRST must not be tied to ground directly (the dot lizby refers to).

lew247
This schematic look a bit confusing, that is why it may be causing so much trouble to get it right. Maybe next time, take a bigger sheet of paper (you can select that when you start a sheet) and position the parts a bit more spacious, so you can draw lines with minimal corners, and not crossing parts (the wire over the reset switch).
It is also possible to work with labels (i.e. 3V3 and GND), so all the black and red wired are not needed to be visible, and are connected in the background. Like you did with the BOOT0.
PicomiteVGA PETSCII ROBOTS
 
lew247

Guru

Joined: 23/12/2015
Location: United Kingdom
Posts: 1708
Posted: 04:29pm 04 Nov 2020
Copy link to clipboard 
Print this post

I'm such an idiot
I forgot to take the original switch out when I changed it to a jumper
Yes it was a pushbutton

Hopefully this should be better





Schematic_New1.pdf


EDIT: realised I had a mistake on the backup battery, corrected now
Edited 2020-11-05 02:32 by lew247
 
lizby
Guru

Joined: 17/05/2016
Location: United States
Posts: 3612
Posted: 06:01pm 04 Nov 2020
Copy link to clipboard 
Print this post

A couple of relatively simple changes could make the bottom left clearer. First move RESET1 up to the left of NRST and mirror it left to right so that pin 1 goes directly into NRST and pin 2 drops to the GND which is now directly below it.

Then mirror the 3 capacitors, C19, C20, C17 top to bottom and adjust the GND line. This will produce a more normal layout with the + voltage higher in the drawing and the GND lower.


~
Edited 2020-11-05 04:02 by lizby
PicoMite, Armmite F4, SensorKits, MMBasic Hardware, Games, etc. on fruitoftheshed
 
lew247

Guru

Joined: 23/12/2015
Location: United Kingdom
Posts: 1708
Posted: 06:28pm 04 Nov 2020
Copy link to clipboard 
Print this post

Hopefully this is slightly better
I've also added battery voltage monitoring and E-Ink to display the battery voltage




1.pdf
Edited 2020-11-05 04:48 by lew247
 
lizby
Guru

Joined: 17/05/2016
Location: United States
Posts: 3612
Posted: 08:08pm 04 Nov 2020
Copy link to clipboard 
Print this post

The top of your caps, C19, C20, C17 should connect to 3V3, and the 0V side of the CR1220 should connect to GND, not the plus side of those caps.

All the VDDs, including on the DS18B20, should connect to 3V3.
Edited 2020-11-05 06:11 by lizby
PicoMite, Armmite F4, SensorKits, MMBasic Hardware, Games, etc. on fruitoftheshed
 
lew247

Guru

Joined: 23/12/2015
Location: United Kingdom
Posts: 1708
Posted: 08:15pm 04 Nov 2020
Copy link to clipboard 
Print this post

Thanks  

I never spotted that one, I love how helpful this forum is and everyone on it.

Once I've got the circuit 100% correct I've got to work on converting it to a pcb and then once it's ordered learn how to program STM32's
I got one of the Nucleo boards to play with but haven't powered it up yet


 
lizby
Guru

Joined: 17/05/2016
Location: United States
Posts: 3612
Posted: 08:17pm 04 Nov 2020
Copy link to clipboard 
Print this post

Not quite enough shown to see if you caught my edit--all the VDDs, including on the DS18B20, need to connect to 3V3.
PicoMite, Armmite F4, SensorKits, MMBasic Hardware, Games, etc. on fruitoftheshed
 
lizby
Guru

Joined: 17/05/2016
Location: United States
Posts: 3612
Posted: 08:24pm 04 Nov 2020
Copy link to clipboard 
Print this post

  lew247 said  I got one of the Nucleo boards to play with but haven't powered it up yet


Which one? The L432KC is breadboard-friendly. With the L476RG, it's flying leads.
PicoMite, Armmite F4, SensorKits, MMBasic Hardware, Games, etc. on fruitoftheshed
 
lew247

Guru

Joined: 23/12/2015
Location: United Kingdom
Posts: 1708
Posted: 09:03pm 04 Nov 2020
Copy link to clipboard 
Print this post

It's the STM32L432  Nucleo-L432KC
I don't have a breadboard lol, just jumper cables

The PDF can be zoomed to whatever size is required




1.pdf
Edited 2020-11-05 07:03 by lew247
 
     Page 1 of 2    
Print this page
The Back Shed's forum code is written, and hosted, in Australia.
© JAQ Software 2026