Home
JAQForum Ver 24.01
Log In or Join  
Active Topics
Local Time 19:53 14 Feb 2026 Privacy Policy
Jump to

Notice. New forum software under development. It's going to miss a few functions and look a bit ugly for a while, but I'm working on it full time now as the old forum was too unstable. Couple days, all good. If you notice any issues, please contact me.

Forum Index : Microcontroller and PC projects : True optical isolation

Author Message
Volhout
Guru

Joined: 05/03/2018
Location: Netherlands
Posts: 5683
Posted: 07:30am 30 Apr 2021
Copy link to clipboard 
Print this post

Hi All,

Just wanted to spam you here with an idea. Not because it is great, but because it is simple.

Sometime you need true optical isolation for your signals. Like when you want to pass a serial connection through a nasty and dirty, or chemical agressive, environment.
That is the place to use fibers.
But in most cases this boils down to a fiber ethernet connection, that can be overkill for a simple serial connection.

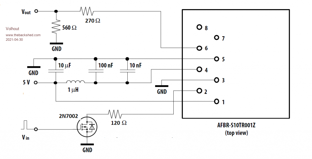
In my work I stumbled upon these analog optical sensors. They are not cheap, but they are seriously good, work over a wide temperature range (-40C...+70C tested) and are fast enough to handle 115200 baud serial interface.

This is the part: AFBR-S10TR001Z

at digikey




To interface it with a 3.3V logic UART (like on a micromite / maximite / Pi) the interface circuit is very simple:




 
You don't need to use it for a serial connection, a simple I/O port can also be transferred through this. Is is an analog optical sensor, and by running the LED (typically used for heartbeat in the application) with 20mA or more, you simple saturate the receiver, so it's output ranges from 4.2V to 0V. A voltage divider brings this back to 3V and 0V.

To use this as an analog isolator is more difficult. It is pretty linear but not enough for even 8bit resolution. You would definitely need a feedback circuit around the LED, to make it's output more linear.

Fibers you can make yourself from following parts:

housing
clear fiber
Edited 2021-04-30 17:59 by Volhout
PicomiteVGA PETSCII ROBOTS
 
Print this page


To reply to this topic, you need to log in.

The Back Shed's forum code is written, and hosted, in Australia.
© JAQ Software 2026