Home
JAQForum Ver 24.01
Log In or Join  
Active Topics
Local Time 08:16 12 Feb 2026 Privacy Policy
Jump to

Notice. New forum software under development. It's going to miss a few functions and look a bit ugly for a while, but I'm working on it full time now as the old forum was too unstable. Couple days, all good. If you notice any issues, please contact me.

Forum Index : Microcontroller and PC projects : Audio Control amp using PGA2310 + PICO in MMBASIC

Author Message
asknik2022
Regular Member

Joined: 26/03/2022
Location: United Kingdom
Posts: 94
Posted: 04:07pm 13 Oct 2022
Copy link to clipboard 
Print this post

Is anybody interested in the above as I have built one and would love to share etc..
 
Rickard5

Guru

Joined: 31/03/2022
Location: United States
Posts: 463
Posted: 04:24pm 13 Oct 2022
Copy link to clipboard 
Print this post

Love it
I may be Vulgar, but , while I'm poor, I'm Industrious, Honest,  and trustworthy! I Know my Place
 
asknik2022
Regular Member

Joined: 26/03/2022
Location: United Kingdom
Posts: 94
Posted: 04:54pm 13 Oct 2022
Copy link to clipboard 
Print this post


Edited 2022-10-14 02:56 by asknik2022
 
asknik2022
Regular Member

Joined: 26/03/2022
Location: United Kingdom
Posts: 94
Posted: 05:03pm 13 Oct 2022
Copy link to clipboard 
Print this post

 
asknik2022
Regular Member

Joined: 26/03/2022
Location: United Kingdom
Posts: 94
Posted: 05:05pm 13 Oct 2022
Copy link to clipboard 
Print this post

 
asknik2022
Regular Member

Joined: 26/03/2022
Location: United Kingdom
Posts: 94
Posted: 05:11pm 13 Oct 2022
Copy link to clipboard 
Print this post

 
asknik2022
Regular Member

Joined: 26/03/2022
Location: United Kingdom
Posts: 94
Posted: 05:11pm 13 Oct 2022
Copy link to clipboard 
Print this post

 
asknik2022
Regular Member

Joined: 26/03/2022
Location: United Kingdom
Posts: 94
Posted: 05:12pm 13 Oct 2022
Copy link to clipboard 
Print this post


Edited 2022-10-14 03:16 by asknik2022
 
matherp
Guru

Joined: 11/12/2012
Location: United Kingdom
Posts: 10940
Posted: 05:18pm 13 Oct 2022
Copy link to clipboard 
Print this post

I did one years ago with a couple of Picaxe, one for IR and one to control relays and the PGA. The only issue I had was that the PGA2310 was noisy when used in amplifier mode but worked well when attenuating






Preamp - Project.pdf
Edited 2022-10-14 03:22 by matherp
 
asknik2022
Regular Member

Joined: 26/03/2022
Location: United Kingdom
Posts: 94
Posted: 05:24pm 13 Oct 2022
Copy link to clipboard 
Print this post




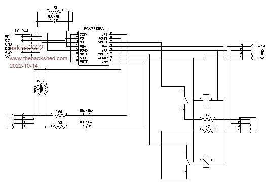
Here is my circuit for the PGA2310 and I don't get any noise
 
asknik2022
Regular Member

Joined: 26/03/2022
Location: United Kingdom
Posts: 94
Posted: 05:28pm 13 Oct 2022
Copy link to clipboard 
Print this post




Here is my circuit for the PGA2310 and I don't get any noise
 
Print this page


To reply to this topic, you need to log in.

The Back Shed's forum code is written, and hosted, in Australia.
© JAQ Software 2026