Home
JAQForum Ver 24.01
Log In or Join  
Active Topics
Local Time 01:28 09 May 2026 Privacy Policy
Jump to

Notice. New forum software under development. It's going to miss a few functions and look a bit ugly for a while, but I'm working on it full time now as the old forum was too unstable. Couple days, all good. If you notice any issues, please contact me.

Forum Index : Microcontroller and PC projects : Driving 7 segment displays

     Page 1 of 2    
Author Message
Herry

Senior Member

Joined: 31/05/2014
Location: Australia
Posts: 261
Posted: 09:35am 19 Feb 2016
Copy link to clipboard 
Print this post

Hi For a relatively simple project, I would like to drive 3 X 7 segment displays from the Micromite. Currently I am using a 2 line LCD display connected as per manual. Not using this will free up pins 2,3,4,5. Other unused pins are 16,17,18,25,10,9,7,6. I would like to display up to 3 digits from a variable in the program I've written (Max figure would be 120). As readers of my occasional posts will attest I am a rank beginner who sometimes does not understand stuff right in front of his nose! I am wondering if use can be made of the MMBasic command LCD...Edited by Herry 2016-02-20
Senior?!  Whatever it says, I'm a complete and utter beginner...
 
CircuitGizmos

Guru

Joined: 08/09/2011
Location: United States
Posts: 1427
Posted: 10:11am 19 Feb 2016
Copy link to clipboard 
Print this post

The LCD command's pin wigglings are not compatible with 7-segment displays, so you are unfortunately not going to be able to hook up the 7-segment LEDs and use the LCD command.

But driving 7 segment displays isn't too difficult.

Take a look at this to start:
http://www.electronics-tutorials.ws/blog/7-segment-display-tutorial.html

That covers the basics of one 7-seg display. To do three you set up the common connections to each 7-seg and share the segment lines. You can write code to cycle through and display each number (pattern) one at a time on each 7-seg display. Doing this fast enough makes it look like all three are lit at the same time, but you are really lighting them sequentially.




Micromites and Maximites! - Beginning Maximite
 
Herry

Senior Member

Joined: 31/05/2014
Location: Australia
Posts: 261
Posted: 10:15am 19 Feb 2016
Copy link to clipboard 
Print this post

Thanks. Must I use a separate chip and how to integrate it so that it reads/displays from an MMBasic variable?
Senior?!  Whatever it says, I'm a complete and utter beginner...
 
CircuitGizmos

Guru

Joined: 08/09/2011
Location: United States
Posts: 1427
Posted: 10:27am 19 Feb 2016
Copy link to clipboard 
Print this post

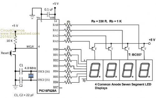
The PIC16F628A in the sample schematic is a microcontroller just as the MicroMite is. You can connect the 7-seg displays like the schematic shows, using pins from the MicroMite instead. You would have three displays rather than the 4 shown.

The schematic is for Common Anode displays. Similar schematics can be found for Common Anode 7-seg displays.

As a reference in the diagram above selecting one of the displays is done by selecting one common anode line (RA0 to RA3) and setting the RB0-6 lines to illuminate the correct pattern of LEDs. Each 7-seg is individually selected and the pattern for that number is output on the RA lines.

Again your lines on the uM wouldn't have the RA and RB designations, but would perform the same functions.Edited by CircuitGizmos 2016-02-20
Micromites and Maximites! - Beginning Maximite
 
palcal

Guru

Joined: 12/10/2011
Location: Australia
Posts: 2039
Posted: 11:15am 19 Feb 2016
Copy link to clipboard 
Print this post

Hi Herry,
Look up '7 segment display driver' it means another chip by it makes it a lot easier.

Paul.
"It is better to be ignorant and ask a stupid question than to be plain Stupid and not ask at all"
 
Herry

Senior Member

Joined: 31/05/2014
Location: Australia
Posts: 261
Posted: 02:29pm 19 Feb 2016
Copy link to clipboard 
Print this post

  CircuitGizmos said   The PIC16F628A in the sample schematic is a microcontroller just as the MicroMite is. You can connect the 7-seg displays like the schematic shows, using pins from the MicroMite instead...


OK, but presumably I'll need some nifty programming to read my numeric variable onto the displays? (I admit to being a bit spoiled by the ease of the MMBasic LCD command!)
Senior?!  Whatever it says, I'm a complete and utter beginner...
 
Grogster

Admin Group

Joined: 31/12/2012
Location: New Zealand
Posts: 9954
Posted: 02:48pm 19 Feb 2016
Copy link to clipboard 
Print this post

Have you seen matherp's thread here?

All the hard work done for you, and the modules are dead cheap.

You would just not use the 4th digit, or use digits 2-4 and not use digit 1.

There is also the SPI 595 method - I use a 595 LED display in this thread and it only uses two MM pins(the SPI port) - four wires including power.

The displays can be had on eBay for next to nothing. Edited by Grogster 2016-02-21
Smoke makes things work. When the smoke gets out, it stops!
 
Herry

Senior Member

Joined: 31/05/2014
Location: Australia
Posts: 261
Posted: 02:59pm 19 Feb 2016
Copy link to clipboard 
Print this post

Sorry to be so thick but I suspect lots of that code has to do with the time format and count. I am having problems relating it all to my need to display a simple mmbasic integer variable, which may be from 0 to say 120. No decimal point required. I have done a lot of searching for this and the examples are a bit over my head at the moment, and far longer and more complicated than I hoped.
Senior?!  Whatever it says, I'm a complete and utter beginner...
 
Grogster

Admin Group

Joined: 31/12/2012
Location: New Zealand
Posts: 9954
Posted: 03:07pm 19 Feb 2016
Copy link to clipboard 
Print this post

Fair comment - matherp code is pretty advanced.

Have a look at my edit to my post above about the 595 LED displays.
These only need two wires(the SPI port), are cheap, and the code to drive them is much, much simpler...
Smoke makes things work. When the smoke gets out, it stops!
 
Grogster

Admin Group

Joined: 31/12/2012
Location: New Zealand
Posts: 9954
Posted: 03:11pm 19 Feb 2016
Copy link to clipboard 
Print this post

You can also get those 595 displays in a nice bezel ready for plonking into a front panel. These are the ones I have used, and they look great. A bit more expensive, but it is probably worth it if you want it all packaged up ready to go.
Smoke makes things work. When the smoke gets out, it stops!
 
TassyJim

Guru

Joined: 07/08/2011
Location: Australia
Posts: 6515
Posted: 03:50pm 19 Feb 2016
Copy link to clipboard 
Print this post

If you want to drive your 7 segment displays directly, you need 7 pins for the segments and one pin for each digit as well as driving transistors for the digits.
In code, you have to convert each digit into 7 segment, output the data, turn the digit on briefly, turn it of and proceed to the next digit.

All this is relatively easy but you program will spend all it's time displaying the digits and this makes doing anything else tricky.

The modules that Grogster referred to solve a lot of the problems

Once you have the module, a simple subroutine can output the display data very easily.

At less than $2 posted it is worth the wait.

Jim


VK7JH
MMedit
 
OA47

Guru

Joined: 11/04/2012
Location: Australia
Posts: 1050
Posted: 04:08pm 19 Feb 2016
Copy link to clipboard 
Print this post

Herry some time ago i posted some code that had a 28 pin micromite directly attached to a 2-1/2 digit LED display (via some resistors) to read and display temperature from 0-199 degrees. This used the minimal amount of hardware and each segment of the LED was controlled by one pin of the micromite.
http://www.thebackshed.com/forum/forum_posts.asp?TID=7935&PN=18&TPN=1
May be of some use
GM
 
Herry

Senior Member

Joined: 31/05/2014
Location: Australia
Posts: 261
Posted: 07:08pm 19 Feb 2016
Copy link to clipboard 
Print this post

Again thanks all. Fed up, I decided to go right back to basics and consider one segment at a time, eg 0 is segments a-f and 8 is segments a to g. Obviously I needed a matrix. At that point fell asleep after lunchtime red (it's Saturday)! My scribblings were remarkably like that shown by Microblocks but I was then puzzled afresh by the 3 digits shown on that illo at the end of that thread. I suppose I suspected that there must be a driver chip that would do all that for me from firmware... I'll lash something up shortly if that search fails!
Senior?!  Whatever it says, I'm a complete and utter beginner...
 
Zonker

Guru

Joined: 18/08/2012
Location: United States
Posts: 772
Posted: 03:23am 20 Feb 2016
Copy link to clipboard 
Print this post

Morning Herry...

I tried this earlier with a 4 digit clock display and just directly drove the LED with the MM pins... Probably not the best thing to do with the MM pins, but it did work ok...


' LED Display Test Program

' Init Segment Drive Pins
For x=2 To 7: Pin(x)=0: SetPin x, dout: Next x
For x=9 To 10: Pin(x)=0: SetPin x, dout: Next x

' Init Digit Drive Pins
For x=23 To 26: Pin(x)=1: SetPin x, dout: Next x

' Engage scan and inc routines (timer intrupts)
SetTick 8, scan, 1 ' timer 1
SetTick 10, inc_digits, 2 ' timer 2

Do: Loop

Sub inc_digits
digit4=digit4+1
If digit4>=10 Then digit4=0: digit3=digit3+1
If digit3>=10 Then digit3=0: digit2=digit2+1
If digit2>=10 Then digit2=0: digit1=digit1+1
If digit1>=10 Then digit4=0: digit3=0: digit2=0: digit1=0
End Sub

' Subroutine to scan the 4 digit display
Sub scan

If scandigit>=5 Then scandigit=1
If scandigit=1 Then decode (digit1): Pin(26)=0
If scandigit=2 Then decode (digit2): Pin(25)=0
If scandigit=3 Then decode (digit3): Pin(24)=0
If scandigit=4 Then decode (digit4): Pin(23)=0
scandigit=scandigit+1
Pause 2
For x=23 To 26: Pin(x)=1: Next x ' turn off all digits
End Sub

Sub decode(val)
If val=1 Then Port(2,6,9,2)=&B00000110
If val=2 Then Port(2,6,9,2)=&B01011011
If val=3 Then Port(2,6,9,2)=&B01001111
If val=4 Then Port(2,6,9,2)=&B01100110
If val=5 Then Port(2,6,9,2)=&B01101101
If val=6 Then Port(2,6,9,2)=&B01111101
If val=7 Then Port(2,6,9,2)=&B00000111
If val=8 Then Port(2,6,9,2)=&B01111111
If val=9 Then Port(2,6,9,2)=&B01100111
If val=0 Then Port(2,6,9,2)=&B00111111
End Sub


I used this LED digit display...

2016-02-20_131728_Lite-On_4_Digit_Clock_Display_S_110_C4727JR.pdf

This company also makes "self scanning" units that you send bit patterns to that take care of the scanning task for you...

2016-02-20_132127_Serial_LED_4_Digit_Display_Module_LTM-8328PKR-04.pdf

Grab one and get some play time going...

Edited by Zonker 2016-02-21
 
Herry

Senior Member

Joined: 31/05/2014
Location: Australia
Posts: 261
Posted: 09:14am 20 Feb 2016
Copy link to clipboard 
Print this post

  Zonker said   Morning Herry...

Probably not the best thing to do with the MM pins, but it did work ok...


Morning... I wonder why you say that? Does that stress the Mirochip? Would it be better to use buffer transistors?
Senior?!  Whatever it says, I'm a complete and utter beginner...
 
Herry

Senior Member

Joined: 31/05/2014
Location: Australia
Posts: 261
Posted: 10:20am 20 Feb 2016
Copy link to clipboard 
Print this post

Further thoughts. With a basic requirement of having seven pins dedicated to each digit (assuming no decimal required, which it isn't for my project), the thought of 3 digits suggests 21 dedicated pins. But my thinking is now along the lines of switching the anodes by the seven segments, but choosing the cathodes (per digit) using three pins. So a total of 10 would do it. How does that sound?
Senior?!  Whatever it says, I'm a complete and utter beginner...
 
TassyJim

Guru

Joined: 07/08/2011
Location: Australia
Posts: 6515
Posted: 03:01pm 20 Feb 2016
Copy link to clipboard 
Print this post

  Herry said   But my thinking is now along the lines of switching the anodes by the seven segments, but choosing the cathodes (per digit) using three pins. So a total of 10 would do it. How does that sound?


That is the method used in the second post of this thread.
It is called multiplexing and works well but you then have to continually switch each digit on in turn. This takes up processing time and makes any other things your program is doing more complex.
If you only want a 'one' in the first digit and no decimal point, you can use 7 + 7 + 2 = 16 pins without having to multiplex.

Jim

VK7JH
MMedit
 
OA47

Guru

Joined: 11/04/2012
Location: Australia
Posts: 1050
Posted: 07:03pm 20 Feb 2016
Copy link to clipboard 
Print this post

  Quote  If you only want a 'one' in the first digit and no decimal point, you can use 7 + 7 + 2 = 16 pins without having to multiplex.

Jim


Jim, for the 100's digit you only need one output pin. 7 + 7 + 1 = 15

GM
 
TassyJim

Guru

Joined: 07/08/2011
Location: Australia
Posts: 6515
Posted: 08:50pm 20 Feb 2016
Copy link to clipboard 
Print this post

  Graeme Meager said  
Jim, for the 100's digit you only need one output pin. 7 + 7 + 1 = 15

GM

Driving two segments directly from the 'mite is likely to overload the pin.
With low current devices that is OK but some will result in a dim 'one'
I was playing safe.

Jim
VK7JH
MMedit
 
matherp
Guru

Joined: 11/12/2012
Location: United Kingdom
Posts: 11304
Posted: 05:01am 21 Feb 2016
Copy link to clipboard 
Print this post

Here is a variant of the approach in Zonker's code.

This allows completely free setting of pins and supports both common anode and common cathode displays of 1-4 digits.

It also includes a "complete" ascii character map although some characters (e.g. "m") are obviously not able to be approximated.

To display anything just put the required string into the variable out$

so out$="123" will display as expected. Use str$(num, no_of_digits) to convert a number

one or more decimal points can be placed anywhere on the display by setting a non-zero value in the relevant position in the dp% array.

Hopefully the setup for a specific display is easy to understand from the comments in the code


option explicit
option default none
'
' first define the display type and its connections, The pin connections must be in the order as commented
' The code assumes that for a common anode display the digit drives are connected via a PNP transistor
' The code assumes that for a common cathode display the digit drives are connected via a NPN transistor
' The segment connections can be made directly to the Micromite pins but adding a current limiting resistor is best practice
'
const ndigits%=3 'set the number of digits in the display
const on%=0 'set to 1 if common cathode display
const off%=1 'set to 0 if common cathode display
const all_on%=0 'set to 255 if common cathode display
const all_off%=255 'set to 0 if common cathode display
'
' pin assignments
'
const seg_a%=2 'top
const seg_b%=3 'upper right
const seg_c%=4 'lower right
const seg_d%=5 'bottom
const seg_e%=35 'lower left
const seg_f%=36 'upper left
const seg_g%=37 'centre
const seg_dp%=38 'decimal point

dim drivepins%(3)=(12,13,32,0)'left, midleft, midright,right
'
dim dpos%=0, lastpos%=0, out$ length ndigits%, dp%(ndigits%-1)
dim digittosegment%(126) ' array to hold the character bitmaps
'
' set the bit patterns for all "displayable" ascii characters
'
DATA &B1111110 ' 0
DATA &B0110000 ' 1
DATA &B1101101 ' 2
DATA &B1111001 ' 3
DATA &B0110011 ' 4
DATA &B1011011 ' 5
DATA &B1011111 ' 6
DATA &B1110000 ' 7
DATA &B1111111 ' 8
DATA &B1111011 ' 9
DATA &B1110111 ' 10 "A"
DATA &B0011111 ' 11 "B"
DATA &B1001110 ' 12 "C"
DATA &B0111101 ' 13 "D"
DATA &B1001111 ' 14 "E"
DATA &B1000111 ' 15 "F"
DATA &B0000000 ' 16 NO DISPLAY
DATA &B0000000 ' 17 NO DISPLAY
DATA &B0000000 ' 18 NO DISPLAY
DATA &B0000000 ' 19 NO DISPLAY
DATA &B0000000 ' 20 NO DISPLAY
DATA &B0000000 ' 21 NO DISPLAY
DATA &B0000000 ' 22 NO DISPLAY
DATA &B0000000 ' 23 NO DISPLAY
DATA &B0000000 ' 24 NO DISPLAY
DATA &B0000000 ' 25 NO DISPLAY
DATA &B0000000 ' 26 NO DISPLAY
DATA &B0000000 ' 27 NO DISPLAY
DATA &B0000000 ' 28 NO DISPLAY
DATA &B0000000 ' 29 NO DISPLAY
DATA &B0000000 ' 30 NO DISPLAY
DATA &B0000000 ' 31 NO DISPLAY
DATA &B0000000 ' 32 ' '
DATA &B0000000 ' 33 '!' NO DISPLAY
DATA &B0100010 ' 34 '"'
DATA &B0000000 ' 35 '#' NO DISPLAY
DATA &B0000000 ' 36 '$' NO DISPLAY
DATA &B0000000 ' 37 '%' NO DISPLAY
DATA &B0000000 ' 38 '&' NO DISPLAY
DATA &B0100000 ' 39 '''
DATA &B1001110 ' 40 '('
DATA &B1111000 ' 41 ')'
DATA &B0000000 ' 42 '*' NO DISPLAY
DATA &B0000000 ' 43 '+' NO DISPLAY
DATA &B0000100 ' 44 ','
DATA &B0000001 ' 45 '-'
DATA &B0000000 ' 46 '.' NO DISPLAY
DATA &B0000000 ' 47 '/' NO DISPLAY
DATA &B1111110 ' 48 '0'
DATA &B0110000 ' 49 '1'
DATA &B1101101 ' 50 '2'
DATA &B1111001 ' 51 '3'
DATA &B0110011 ' 52 '4'
DATA &B1011011 ' 53 '5'
DATA &B1011111 ' 54 '6'
DATA &B1110000 ' 55 '7'
DATA &B1111111 ' 56 '8'
DATA &B1111011 ' 57 '9'
DATA &B0000000 ' 58 ':' NO DISPLAY
DATA &B0000000 ' 59 ';' NO DISPLAY
DATA &B0000000 ' 60 '<' NO DISPLAY
DATA &B0000000 ' 61 '=' NO DISPLAY
DATA &B0000000 ' 62 '>' NO DISPLAY
DATA &B0000000 ' 63 '?' NO DISPLAY
DATA &B0000000 ' 64 '@' NO DISPLAY
DATA &B1110111 ' 65 'A'
DATA &B0011111 ' 66 'B'
DATA &B1001110 ' 67 'C'
DATA &B0111101 ' 68 'D'
DATA &B1001111 ' 69 'E'
DATA &B1000111 ' 70 'F'
DATA &B1011110 ' 71 'G'
DATA &B0110111 ' 72 'H'
DATA &B0110000 ' 73 'I'
DATA &B0111000 ' 74 'J'
DATA &B0000000 ' 75 'K' NO DISPLAY
DATA &B0001110 ' 76 'L'
DATA &B0000000 ' 77 'M' NO DISPLAY
DATA &B0010101 ' 78 'N'
DATA &B1111110 ' 79 'O'
DATA &B1100111 ' 80 'P'
DATA &B1110011 ' 81 'Q'
DATA &B0000101 ' 82 'R'
DATA &B1011011 ' 83 'S'
DATA &B0001111 ' 84 'T'
DATA &B0111110 ' 85 'U'
DATA &B0000000 ' 86 'V' NO DISPLAY
DATA &B0000000 ' 87 'W' NO DISPLAY
DATA &B0000000 ' 88 'X' NO DISPLAY
DATA &B0111011 ' 89 'Y'
DATA &B0000000 ' 90 'Z' NO DISPLAY
DATA &B1001110 ' 91 '['
DATA &B0000000 ' 92 '\' NO DISPLAY
DATA &B1111000 ' 93 ']'
DATA &B0000000 ' 94 '^' NO DISPLAY
DATA &B0001000 ' 95 '_'
DATA &B0000010 ' 96 '`'
DATA &B1110111 ' 97 'a' SAME AS CAP
DATA &B0011111 ' 98 'b' SAME AS CAP
DATA &B0001101 ' 99 'c'
DATA &B0111101 ' 100 'd' SAME AS CAP
DATA &B1101111 ' 101 'e'
DATA &B1000111 ' 102 'f' SAME AS CAP
DATA &B1011110 ' 103 'g' SAME AS CAP
DATA &B0010111 ' 104 'h'
DATA &B0010000 ' 105 'i'
DATA &B0111000 ' 106 'j' SAME AS CAP
DATA &B0000000 ' 107 'k' NO DISPLAY
DATA &B0110000 ' 108 'l'
DATA &B0000000 ' 109 'm' NO DISPLAY
DATA &B0010101 ' 110 'n' SAME AS CAP
DATA &B0011101 ' 111 'o'
DATA &B1100111 ' 112 'p' SAME AS CAP
DATA &B1110011 ' 113 'q' SAME AS CAP
DATA &B0000101 ' 114 'r' SAME AS CAP
DATA &B1011011 ' 115 's' SAME AS CAP
DATA &B0001111 ' 116 't' SAME AS CAP
DATA &B0011100 ' 117 'u'
DATA &B0000000 ' 118 'b' NO DISPLAY
DATA &B0000000 ' 119 'w' NO DISPLAY
DATA &B0000000 ' 120 'x' NO DISPLAY
DATA &B0000000 ' 121 'y' NO DISPLAY
DATA &B0000000 ' 122 'z' NO DISPLAY
DATA &B0000000 ' 123 'DATA &B' NO DISPLAY
DATA &B0000000 ' 124 '|' NO DISPLAY
DATA &B0000000 ' 125 ',' NO DISPLAY
DATA &B0000000 ' 126 '~' NO DISPLAY
DATA &B0000000 ' 127 'DEL' NO DISPLAY'
'
'*************************************************************************************
'
' Test program
'
dim i%=0
out$=str$(i%,ndigits%)
init_LED
out$="PIC"
pause 4000
dp%(1)=1 'set a decimal point after the second character for demo purposes

do 'count continuously without overflowing
pause 250
out$=str$(i%,ndigits%)
i%=i%+1
if i%>=10^ndigits% then i%=0
loop
'
'*************************************************************************************
'
' initialisation and display subroutines
'
sub display 'called by the timer interrupt, cycles through the digits, outputs the contents of the out$ string and dp% array
local integer i,k
k=digittosegment%(asc(mid$(out$,dpos%+1,1))) and &H7F
if dp%(dpos%) then : k=k OR (on%<<7) : else : k=k OR (off%<<7) : endif
pin(drivepins%(lastpos%))=off% 'turn off the drivepins% to the last digit
port(seg_g%,1,seg_f%,1,seg_e%,1,seg_d%,1,seg_c%,1,seg_b%,1,seg_a%,1,seg_dp%,1)=k 'set the new segment map
pin(drivepins%(dpos%))=on% 'turn on the drivepins% to the new digit
lastpos%=dpos%
dpos% =(dpos%+1) mod ndigits%
end sub
'
sub init_LED
' load the arrays of pin numbers and set all the pins to the "off" position
' this will be 1 for common anode and 0 for common cathode
local i%
out$=space$(ndigits%) 'initialise the display to blank

for i%= 0 to 126 'read in the character bitmaps
read digittosegment%(i%)
next i%
if off% then 'for common anode bits will be set to 0 to turn on so invert the character map
for i%=0 to 126
digittosegment%(i%)=digittosegment%(i%) XOR &HFF
next i%
endif

setpin seg_a%,DOUT
setpin seg_b%,DOUT
setpin seg_c%,DOUT
setpin seg_d%,DOUT
setpin seg_e%,DOUT
setpin seg_f%,DOUT
setpin seg_g%,DOUT
setpin seg_dp%,DOUT
port(seg_g%,1,seg_f%,1,seg_e%,1,seg_d%,1,seg_c%,1,seg_b%,1,seg_a%,1,seg_dp%,1)=all_off%

for i%=0 to ndigits%-1 'initialise the digit pins and clear the decimal point array
dp%(i%)=0 'set all the decimal points off
pin(drivepins%(i%))=off%
setpin drivepins%(i%),DOUT
next i%

settick 5,display 'enable the display output interrupt

end sub
Edited by matherp 2016-02-22
 
     Page 1 of 2    
Print this page
The Back Shed's forum code is written, and hosted, in Australia.
© JAQ Software 2026