Home
JAQForum Ver 24.01
Log In or Join  
Active Topics
Local Time 13:24 12 Nov 2025 Privacy Policy
Jump to

Notice. New forum software under development. It's going to miss a few functions and look a bit ugly for a while, but I'm working on it full time now as the old forum was too unstable. Couple days, all good. If you notice any issues, please contact me.

Forum Index : Microcontroller and PC projects : Some help with ESP8266

Author Message
kiiid

Guru

Joined: 11/05/2013
Location: United Kingdom
Posts: 671
Posted: 04:05am 29 Jul 2016
Copy link to clipboard 
Print this post

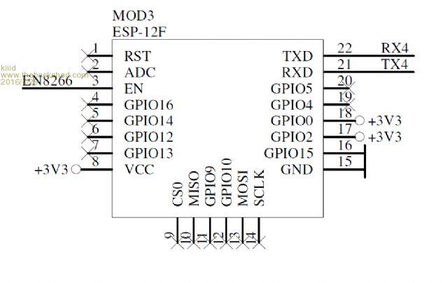
This is my first touch with this thing, and so far it has been a pretty frustrating one.
It simply doesn't respond to anything. I have it connected the simplest possible way as in the picture (the power supply is proper, but not displayed).
So when I bring the EN8266 high, I expect the module to start responding to AT commands, is that right? Well, it doesn't. There is a small LED which I have no idea what is for, on board next to the antenna, but it doesn't turn on either.
My protocol is 115200,8N1. I verified the communication and I am sure the module gets what I am sending, but nothing comes out of it in response.
I tried with another two modules, and got the same lack of success.
Any advices from people with more advanced experience in this thing?
Thanks!



Edited by kiiid 2016-07-30
http://rittle.org

--------------
 
lew247

Guru

Joined: 23/12/2015
Location: United Kingdom
Posts: 1702
Posted: 05:30am 29 Jul 2016
Copy link to clipboard 
Print this post

Instructions here

VCC ----> 3.3V Power supply (

GND ----> Ground of power supply

CH_PD ----> HIGH (3.3V)

GPIO2 ----> HIGH (3.3V)

GPIO15 ----> LOW (GND)

GPIO0 ----> HIGH or Floating for AT Mode (3.3V) [ * if you want to flash completely different firmware then you must connect it to ground ]

 
lew247

Guru

Joined: 23/12/2015
Location: United Kingdom
Posts: 1702
Posted: 05:32am 29 Jul 2016
Copy link to clipboard 
Print this post

I use an ESP8266-01 and it drove me nuts at first, then eventually I figured it out and was able to flash different firmware
Now I have it flashed with ESP8266 Basic and after a learning curve, I got it working
They aren't the easiest devices to work with, but they are amazing what they can do
 
Phil23
Guru

Joined: 27/03/2016
Location: Australia
Posts: 1667
Posted: 10:48am 29 Jul 2016
Copy link to clipboard 
Print this post

Do you just want a serial link to the console?

I've got 4 running here, all proving very reliable.

I've re-flashed them with ESP-Link.

Check up this link for all the details:-

uM2(+): Wifi replaces USB for console?

The other thing I find useful, just to monitor how things are running is
Emco Ping Monitor.

There's probably plenty of others about, but this one seems good.
Monitors a maximum of 5 hosts on the free version.

Biggest Wifi killer here is the Microwave oven;
Guaranteed to cause dropouts;

Just perfect when I'm 3/4 way through a 12"x18" photo print & using lots of ink...
Kills the print job every time.

Cheers.
 
kiiid

Guru

Joined: 11/05/2013
Location: United Kingdom
Posts: 671
Posted: 10:55am 29 Jul 2016
Copy link to clipboard 
Print this post

Thank you, but I don't want to program the damn thing, don't care about 'newest firmware', just want to talk to it with AT commands. Does it normally come ready to be used or blank?

http://rittle.org

--------------
 
lew247

Guru

Joined: 23/12/2015
Location: United Kingdom
Posts: 1702
Posted: 11:04am 29 Jul 2016
Copy link to clipboard 
Print this post

If you just want to use the AT commands once you have it connected Type AT and it should return a prompt
 
Phil23
Guru

Joined: 27/03/2016
Location: Australia
Posts: 1667
Posted: 11:11am 29 Jul 2016
Copy link to clipboard 
Print this post

  lew247 said   Instructions here


That guy needs to change this statement.

[Quote]It is good practice to add capacitors across the input and output lines, but I am just going to skip that, since this application is very basic and is non-essential.[/quote]

I wonder how many don't bother with Caps & are plagued with issues.

I know I was until I heeded someone's advice about caps on the power to the modules.
HUGE change; everything became stable.

I'm using 470µF electros on some & 1000µF on one of the others; plus a ceramic in both cases.


Cheers.
 
kiiid

Guru

Joined: 11/05/2013
Location: United Kingdom
Posts: 671
Posted: 12:06am 30 Jul 2016
Copy link to clipboard 
Print this post

My problem is that the module doesn't give any sign of life. I tried already with AT
Bought for testing a development board like this one but can't get it working as well.
When I connect it to the terminal, it prints some stuff as in the picture, and then ends with that message SC_.... and I can't do anything else anymore.
The modules which I have purchased separately don't even show that much. In fact they show nothing.
To me it looks like there are different types of firmware for this and I've got the wrong one?




http://rittle.org

--------------
 
MicroBlocks

Guru

Joined: 12/05/2012
Location: Thailand
Posts: 2209
Posted: 02:32am 30 Jul 2016
Copy link to clipboard 
Print this post

You have one of these:
https://gregwareblog.wordpress.com/2016/01/10/esp-witty/

Best to flash it with the firmware you want.
Microblocks. Build with logic.
 
lew247

Guru

Joined: 23/12/2015
Location: United Kingdom
Posts: 1702
Posted: 03:57am 30 Jul 2016
Copy link to clipboard 
Print this post

  MicroBlocks said   You have one of these:
https://gregwareblog.wordpress.com/2016/01/10/esp-witty/

Best to flash it with the firmware you want.


From that page

Built-in I/O wiring:



As found out by sej7278 in THIS post, the wiring is as follows:

Push Button on GPIO04
Red LED on GPIO15
Green LED on GPIO12
Blue LED on GPIO13
Photo Resistor on ADC/TOUT/A0 pin

Firmware setup and Control UI:

The board boots with its UART set at 115200 bps, and spits out a ESP SmartConfig sequence, similar as:

mode : sta(5c:cf:7f:11:97:80) + softAP(5e:cf:7f:11:97:80)
add if0
add if1
dhcp server start:(ip:192.168.4.1,mask:255.255.255.0,gw:192.16)bcn 100
SDK version:bcn 0
del if1
mode : sta(5c:cf:7f:11:97:80)
SC version: V2.5.0
f 0, scandone
f 0, scandone
SC_STATUS_FIND_CHANNEL
If the button is pressed, a message button_press_3s! is output too.
 
kiiid

Guru

Joined: 11/05/2013
Location: United Kingdom
Posts: 671
Posted: 04:04am 30 Jul 2016
Copy link to clipboard 
Print this post

Ah...
So where do I get that firmware which is only working with the simple AT commands, and how to flash it?
http://rittle.org

--------------
 
lew247

Guru

Joined: 23/12/2015
Location: United Kingdom
Posts: 1702
Posted: 04:52am 30 Jul 2016
Copy link to clipboard 
Print this post

  kiiid said   Ah...
So where do I get that firmware which is only working with the simple AT commands, and how to flash it?



Google ... Here
or if you don't like that page
try this one Edited by lew247 2016-07-31
 
MicroBlocks

Guru

Joined: 12/05/2012
Location: Thailand
Posts: 2209
Posted: 05:56am 30 Jul 2016
Copy link to clipboard 
Print this post

or visit:
Everything ESP8266 Edited by MicroBlocks 2016-07-31
Microblocks. Build with logic.
 
jman

Guru

Joined: 12/06/2011
Location: New Zealand
Posts: 711
Posted: 10:47am 30 Jul 2016
Copy link to clipboard 
Print this post

  kiiid said   Ah...
So where do I get that firmware which is only working with the simple AT commands, and how to flash it?


Here you go includes a screenshot of the flash programs setup (ESP_DOWNLOAD_TOOL_V2.4.exe)
ESP8266 (Includes smart config)


Regards
Jman
 
kiiid

Guru

Joined: 11/05/2013
Location: United Kingdom
Posts: 671
Posted: 09:18pm 30 Jul 2016
Copy link to clipboard 
Print this post

Thanks all!
http://rittle.org

--------------
 
Print this page


To reply to this topic, you need to log in.

The Back Shed's forum code is written, and hosted, in Australia.
© JAQ Software 2025