Home
JAQForum Ver 24.01
Log In or Join  
Active Topics
Local Time 23:07 21 Feb 2026 Privacy Policy
Jump to

Notice. New forum software under development. It's going to miss a few functions and look a bit ugly for a while, but I'm working on it full time now as the old forum was too unstable. Couple days, all good. If you notice any issues, please contact me.

Forum Index : Microcontroller and PC projects : MX2 board

Author Message
kiiid

Guru

Joined: 11/05/2013
Location: United Kingdom
Posts: 671
Posted: 10:47am 09 Mar 2017
Copy link to clipboard 
Print this post

Presenting a small and simple development board for the MX270 Micromite. I designed it originally for my development needs, but made some extra number of bare boards as well. Turns out the MX270 chip did a pretty good job for me in one my more specific projects.
Want to have one of these - paypal £1 plus postage (usually £1 within the UK and EU, and £1.50 for the rest of the world) to knivd at me (com). I will post to the paypal address unless otherwise specified.
Happy to outsource the selling activities elsewhere in case of interest...








http://rittle.org

--------------
 
sagt3k

Guru

Joined: 01/02/2015
Location: Italy
Posts: 313
Posted: 11:15am 09 Mar 2017
Copy link to clipboard 
Print this post

Hi kiiid

Excellent pcb, compliments !!

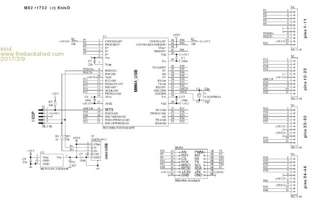
In this post MX270-USB you have specified:

23: DIGITAL | ANALOG | COM4-RX (shared with the console)
24: DIGITAL | ANALOG | COM4-TX (shared with the console)

But in this PCB I see MikroBUS RX and TX are inverted.

Is this correct way ?
Thanks
sagt3k
 
Zonker

Guru

Joined: 18/08/2012
Location: United States
Posts: 772
Posted: 12:00pm 09 Mar 2017
Copy link to clipboard 
Print this post

Nice layout Kon..!!

I love how you don't need a USB converter, and can update the firmware thru the bootloader..! Sweet...

Could you post the BOM for this..?
Put me down for 2... If not many available, 1 would be ok also...
I am confused with the - knivd at me (com) - part... Send funds where..?

Thanks... Edited by Zonker 2017-03-10
 
kiiid

Guru

Joined: 11/05/2013
Location: United Kingdom
Posts: 671
Posted: 08:58pm 09 Mar 2017
Copy link to clipboard 
Print this post

The schematic as PDF and the BOM:

2017-03-10_065606_MX2.zip

To avoid confusion: knivd@me.com - this is my paypal address.

The crossed lines for COM4 are correct - TX goes to RX and RX goes to TX.

Edited by kiiid 2017-03-11
http://rittle.org

--------------
 
kiiid

Guru

Joined: 11/05/2013
Location: United Kingdom
Posts: 671
Posted: 12:24am 10 Mar 2017
Copy link to clipboard 
Print this post

Yes, that was a bug... :(
I didn't have any need to use MikroBus with MX2 so that had slipped away. This is the fixed schematic. The only difference is the swapped P23 and P24 to the Click board. For Click boards using analog, I2C or SPI, the old r1702 revision is still completely fine.
I will get a few revised boards r1703 made just in case.

2017-03-10_102417_MX2.zip


http://rittle.org

--------------
 
isochronic
Guru

Joined: 21/01/2012
Location: Australia
Posts: 689
Posted: 06:38pm 10 Mar 2017
Copy link to clipboard 
Print this post

In general does the 44 pin include all the pins from the 28 pin 270 ?
One of Lucio di Jasio's excellent books, (USB/lcd/interface etc) I think was based on the 28 pin 270, I guess a lot of the code would run on this board with a recompile (?)Edited by chronic 2017-03-12
 
Print this page


To reply to this topic, you need to log in.

The Back Shed's forum code is written, and hosted, in Australia.
© JAQ Software 2026