Home
JAQForum Ver 24.01
Log In or Join  
Active Topics
Local Time 10:05 08 May 2026 Privacy Policy
Jump to

Notice. New forum software under development. It's going to miss a few functions and look a bit ugly for a while, but I'm working on it full time now as the old forum was too unstable. Couple days, all good. If you notice any issues, please contact me.

Forum Index : Microcontroller and PC projects : pic sandwich board

Author Message
isochronic
Guru

Joined: 21/01/2012
Location: Australia
Posts: 689
Posted: 10:17pm 29 Oct 2017
Copy link to clipboard 
Print this post

I have a few of these spare if anyone wants one.






They are fairly generic, and lodge on an arduino uno and in turn
hold a parallel LCD shield although the LCD shield is not necessary.
The arduino supplies power and connects via a spi client (slave),
drpending on what the ino specifies.
The pic pins on the rhs have ICSP, digital and analog signals, I have
used them for an extra bit-bang spi port, auxiliary serial port
for GPS stream, two analog signals etc.
A remote 4-wire spi connection works ok with care wrt noise/grounding etc.
(ed) ie, the pic board itself can easily be separate instead, driving
the lcd/uno client via a cable.

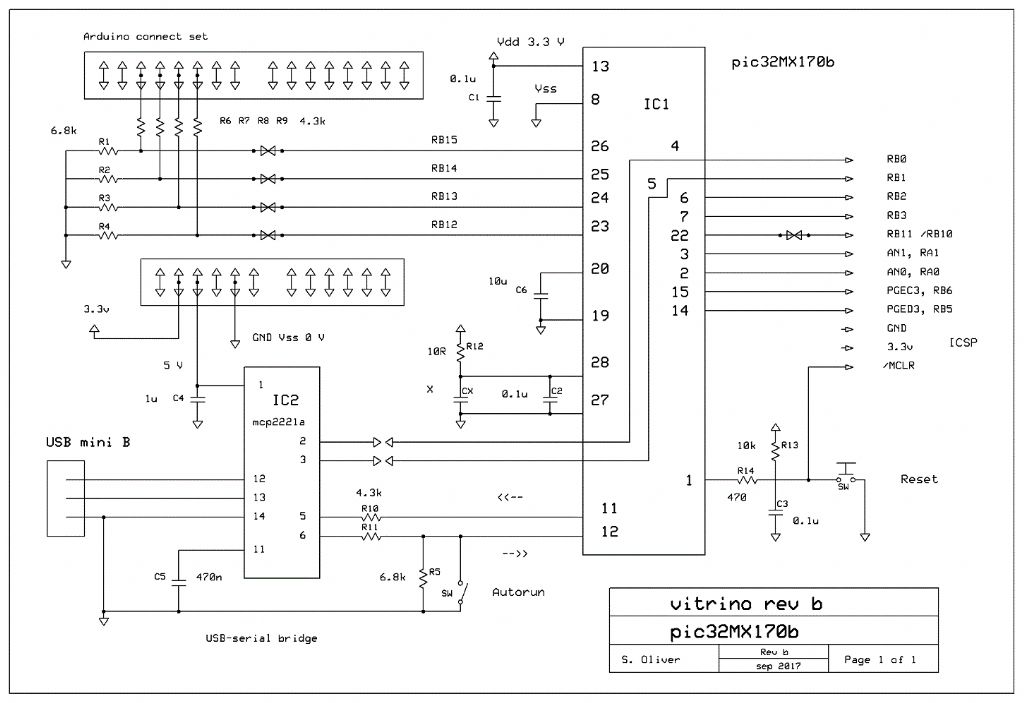
schematic




Bill of Materials - Vitrino rev b

Resistors

R1-R5 6.8k 0805
R6-R11 4.3k 0805
R12 10R 0805
R13 10k 0805
R14 470R 0805

Capacitors

C1-C3 0.1u 0805 ceramic
C4 1.0u 0805
C5 470n 0805
C6 10u 1206 Low esr ceramic
CX X 0805 optional filtering

Hardware

PCB Vitrino rev b
switch pusbutton momentary make
(switch) miniature slide SPST optional for autorun
socket USB mini-B smd
headers arduino stackable pin set

ICs

(IC1) pic32mx170b sdip
(IC2) mcp2221a soic









Edited by chronic 2017-11-03
 
isochronic
Guru

Joined: 21/01/2012
Location: Australia
Posts: 689
Posted: 10:50am 02 Nov 2017
Copy link to clipboard 
Print this post


(ed) there are more photos etc on the other thread

The resistor group near the top are the connection to the 4
arduino pins (D13,12,11,10). It is designed to allow the pic
spi hardware to connect as an option with links, alternatively it is
very easy to put in a bit-banged spi routine in C that can
can use any of the digital i/o pins. So one spi port can drive
the uno/lcd and the other can access sensors etc via RB0 etc on the rhs.
Edited by chronic 2017-11-04
 
isochronic
Guru

Joined: 21/01/2012
Location: Australia
Posts: 689
Posted: 01:39pm 09 Nov 2017
Copy link to clipboard 
Print this post

I have put this board here pcb etc as a shared project where it can be bought, the gerbers seen etcEdited by chronic 2017-11-10
 
Print this page


To reply to this topic, you need to log in.

The Back Shed's forum code is written, and hosted, in Australia.
© JAQ Software 2026