Home
JAQForum Ver 24.01
Log In or Join  
Active Topics
Local Time 12:18 15 Feb 2026 Privacy Policy
Jump to

Notice. New forum software under development. It's going to miss a few functions and look a bit ugly for a while, but I'm working on it full time now as the old forum was too unstable. Couple days, all good. If you notice any issues, please contact me.

Forum Index : Microcontroller and PC projects : High power 74HC595?

     Page 1 of 2    
Author Message
Grogster

Admin Group

Joined: 31/12/2012
Location: New Zealand
Posts: 9872
Posted: 06:43am 16 Jan 2021
Copy link to clipboard 
Print this post

Does anyone know of a high-power version of the 595 driver IC, which is often used to drive 7-segment LED displays?

I have some gigantic 5" LED displays that use 14 LED's PER SEGMENT in a series/parallel arrangement, and so I would need to be able to source 50ma-100mA or so per segment, and the standard 595 can't do that.

I could certainly add a MOSFET buffer transistor to each segment output to provide the current passing ability - that is easy enough to do, but the thought occurs that perhaps there is already a high-power version of the 595 or some kind of equivalent to the 595, that can handle sourcing much more current.

The 5" displays are common-cathode, so I would need to source the current.  I can also get common-anode types if that is somehow easier to sink via a specific device.

What I need at this point, are some part numbers to research.

Can anyone help?

EDIT: I've ordered some 4" ones, as they were about a buck cheaper per unit, and the overall size of the 4" ones is still pretty big! (90mm x 122mm)





These ones just use five LED's in series, and so should be a bit easier to drive.
Assuming the standard 0.7v drop across each LED, I'll need to feed them at least 3.5v, so will probably elect to simply use 5v.  I probably won't need to push as much current through this arrangement though, but I would still like something juicier then the 595, which can only handle 20mA maximum per output with 70mA maximum from ALL outputs, so I would still need external buffers even for the 4" display, so still looking for a more juicy version of the 595 if one exists.
Edited 2021-01-16 18:32 by Grogster
Smoke makes things work. When the smoke gets out, it stops!
 
Solar Mike
Guru

Joined: 08/02/2015
Location: New Zealand
Posts: 1188
Posted: 10:00am 16 Jan 2021
Copy link to clipboard 
Print this post

Hi Grogster, I have used these in the past for programmable current and multiple series leds TLC5925

These CAT4016  allow higher led currents but not as many in series.

Cheers
Mike
 
vegipete

Guru

Joined: 29/01/2013
Location: Canada
Posts: 1160
Posted: 06:55pm 16 Jan 2021
Copy link to clipboard 
Print this post

I use many Toshiba TBD62783Axx chips as source drivers. These won't replace the '595, but they can amplify (and voltage shift) the output of a '595, or the pins of a MCU or whatever.
Visit Vegipete's *Mite Library for cool programs.
 
TassyJim

Guru

Joined: 07/08/2011
Location: Australia
Posts: 6450
Posted: 08:19pm 16 Jan 2021
Copy link to clipboard 
Print this post

  Quote  Assuming the standard 0.7v drop across each LED,

Anywhere from 1.6 to 4.0V depending on colour.

Assuming red LEDs, you will need at least 12V

Jim
VK7JH
MMedit
 
Grogster

Admin Group

Joined: 31/12/2012
Location: New Zealand
Posts: 9872
Posted: 11:43pm 16 Jan 2021
Copy link to clipboard 
Print this post

Thanks for the replies, chums.  I will look into these devices.
@ Jim: Yes, you are correct.  I was thinking plain diodes and forgot that LED's have a much larger voltage-drop across them.
Smoke makes things work. When the smoke gets out, it stops!
 
palcal

Guru

Joined: 12/10/2011
Location: Australia
Posts: 2031
Posted: 12:05am 17 Jan 2021
Copy link to clipboard 
Print this post

Silicon Chip Dec. 2009 had an article on a "Ginormous 7 segment Panel Meter"
It used 7 X 70mm. light bars for the displays (150mm. high)
It had an ATMEGA168 controller and the led driver was a TLC5916 driving the display directly.
Paul.

Further reading in the article indicates that if more than one segment is needed KTA-256 Large 7 segment driver boards are needed to connect the displays.
You would need to read the article.
Still further reading indicates that you get kits from Ocean Controls
Probably not still available.
Edited 2021-01-17 10:22 by palcal
"It is better to be ignorant and ask a stupid question than to be plain Stupid and not ask at all"
 
Grogster

Admin Group

Joined: 31/12/2012
Location: New Zealand
Posts: 9872
Posted: 03:47am 17 Jan 2021
Copy link to clipboard 
Print this post

Excellent, thanks Paul!  
I'm pretty sure I have that issue, so I will go hunt it out now and read it.
Smoke makes things work. When the smoke gets out, it stops!
 
Grogster

Admin Group

Joined: 31/12/2012
Location: New Zealand
Posts: 9872
Posted: 05:44am 17 Jan 2021
Copy link to clipboard 
Print this post

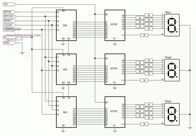
@ vegipete: This is how I plan to connect things up....





Does that look like how you would use the 62783's?
Basically, the 595's drive the 62783's, which then drive the large LED common-cathode displays using a 12v LED display voltage.  Value of R yet to be determined.

I would very much appreciate your comments, as you have obviously used these chips before, so I want to make sure I am correctly understanding how to connect them, as I had never heard of them before you posted the part number.  

Not shown in the schematic, are 100n caps on all chips' Vcc pins.
Smoke makes things work. When the smoke gets out, it stops!
 
vegipete

Guru

Joined: 29/01/2013
Location: Canada
Posts: 1160
Posted: 08:18pm 17 Jan 2021
Copy link to clipboard 
Print this post

I just grabbed a circuit board to compare and it looks like you have essentially matched it. We run series strings of 5 red LEDs from 12 volts using R = 100 ohms. (Actually, 3 strings in parallel, each with its own resistor.)

We use the AFG version of the chip, which works well driven directly from the pins of a 5 volt MCU and should work equally well from the '595s. There are other versions of 62783 that work at other input voltages, just to be aware.

Our PCB is a large 2 digit 7 segment display, so it uses two of theses chips. One of the extra outputs directly drives a smallish 12 volt relay, the other drives a MOSFET PWM display dimming circuit. After over a thousand boards, these chips have never failed.
Visit Vegipete's *Mite Library for cool programs.
 
Grogster

Admin Group

Joined: 31/12/2012
Location: New Zealand
Posts: 9872
Posted: 01:25am 18 Jan 2021
Copy link to clipboard 
Print this post

Excellent, thanks very much for the confirmation.  I had read the datasheet for the 62783, so I was reasonably confident I was wiring them correctly, but it never hurts to ask someone else who has actually used the chip in question, if you(me!) have never used that part before.

Yes, I have ordered DIL versions of both the 595 and the 62783 from Digi-Key.
Element-14 is closer to home, but they did not stock the 62783 chip.
I got DIL versions, cos I plan to breadboard at least one digit(7-seg display) so I can double-check everything works, then I can get a PCB made to hold everything.

With 4" LED displays, I don't have to worry about not being able to fit DIL chips in!
Smoke makes things work. When the smoke gets out, it stops!
 
nutson
Newbie

Joined: 01/07/2019
Location: Netherlands
Posts: 14
Posted: 09:01am 18 Jan 2021
Copy link to clipboard 
Print this post

Wonder why nobody advised TPIC6B595, 50V 150 mA outputs
 
vegipete

Guru

Joined: 29/01/2013
Location: Canada
Posts: 1160
Posted: 06:42pm 18 Jan 2021
Copy link to clipboard 
Print this post

  nutson said  Wonder why nobody advised TPIC6B595, 50V 150 mA outputs

Maybe because we didn't know about it?  

That's a handy chip to know, along with its beefier brother TPIC6A596.
A little bit expensive and only available as a sink, but very useful! Thanks!
Visit Vegipete's *Mite Library for cool programs.
 
Grogster

Admin Group

Joined: 31/12/2012
Location: New Zealand
Posts: 9872
Posted: 05:52am 20 Jan 2021
Copy link to clipboard 
Print this post

Agreed.  

I could not use that chip anyway, as I needed a source driver not a sink.
Still, A useful part to know about.
So many parts, so little time....
Smoke makes things work. When the smoke gets out, it stops!
 
Grogster

Admin Group

Joined: 31/12/2012
Location: New Zealand
Posts: 9872
Posted: 04:55am 28 Jan 2021
Copy link to clipboard 
Print this post

OK, my 62783's(APG) have arrived from DigiKey, but I am not having much joy.

Pin-09: 12v
Pin-10: GND

Pin-01: MM I/O pin
Pin-02: MM I/O pin

The problem is that if pin-01 or pin-02 is grounded, the LED lights on corresponding outputs pin-17 and pin-18.

If I pull the pin high to 3v3, the LED lights also.
The LED goes out if I pull off the wire to the input side in both cases.

The issue then, is that the LED lights regardless of if the input side of the 62783 is high OR low.  This is not what I expected.  If the input pin is low, the output should be OFF, and if it is high, the output should be ON.

At the moment, the output is high regardless, and only ever switches off, if you FLOAT the input pin.

@ vegipete: HELP!  
Smoke makes things work. When the smoke gets out, it stops!
 
Grogster

Admin Group

Joined: 31/12/2012
Location: New Zealand
Posts: 9872
Posted: 05:00am 28 Jan 2021
Copy link to clipboard 
Print this post

D'OH!

Expletive deleted, expletive deleted, expletive deleted.........  

Fixed it.
Working fine now.

I forgot to common the MM ground, to the 12v ground, so naturally, the 62783 with no common ground reference.......yeah, well......d'oh!

All OK.

I could delete the post above, but why not let everyone have a chuckle at my schoolboy mistake - we all make them despite having left school decades ago in my case!  
Smoke makes things work. When the smoke gets out, it stops!
 
vegipete

Guru

Joined: 29/01/2013
Location: Canada
Posts: 1160
Posted: 07:33am 28 Jan 2021
Copy link to clipboard 
Print this post

Been there, done that, feel your pain.

I don't remember the first use of that chip but it was likely with a everything on a bread board so everything had a common ground.

I do remember the chip was found by starting with the venerable ULN2003 and ULN2803 chips. That led to UDN298x chips, then to the 62783 which was more available/cheaper/better.

Glad you got it sorted. I doubt it would have occurred to me to check for uncommon grounds.
Visit Vegipete's *Mite Library for cool programs.
 
Grogster

Admin Group

Joined: 31/12/2012
Location: New Zealand
Posts: 9872
Posted: 08:03am 28 Jan 2021
Copy link to clipboard 
Print this post

Thanks very much, Pete.  

The chips are laser-engraved with "CHINA", so I was at first worried that these might be clone chips, but buying from DigiKey I figure I can be sure they are genuine.

I blew the first one up by putting Vcc and GND the wrong way around, cos I was looking at my PCB design, and forgot that I put the chips on the C2 layer!!!!

Ah.....opps.....    
"I think the phrase rhymes with 'Clucking Bell'" - Blackadder.

But the 2nd one I made sure I connected correctly, and it is working fine.
I bought a whole heap of these chips to maximize the DHL courier cost, so I will write this one off as an "Aragog"....



Smoke makes things work. When the smoke gets out, it stops!
 
Pluto
Guru

Joined: 09/06/2017
Location: Finland
Posts: 410
Posted: 10:33am 28 Jan 2021
Copy link to clipboard 
Print this post

Would TLC5916/TLC5917 be useful for your application? They can handle LED voltage up to 20V and the led current is adjustable (3-120mA) with only one external resistor. 30MHz SPI.
 
Quazee137

Guru

Joined: 07/08/2016
Location: United States
Posts: 602
Posted: 05:11pm 28 Jan 2021
Copy link to clipboard 
Print this post

Just a thought can't you use a MM170 in place of the three 74HC595?
 Then you have many ways to talk to the displays. I2C, SPI, and text.

opps my bad though it was a different chip. Toshiba makes so many
I though this one had a latch.
Edited 2021-01-29 03:18 by Quazee137
 
vegipete

Guru

Joined: 29/01/2013
Location: Canada
Posts: 1160
Posted: 06:33pm 28 Jan 2021
Copy link to clipboard 
Print this post

Aragog? I think your picture is of an oh so special surface mount DIP.
Visit Vegipete's *Mite Library for cool programs.
 
     Page 1 of 2    
Print this page
The Back Shed's forum code is written, and hosted, in Australia.
© JAQ Software 2026