Home
JAQForum Ver 24.01
Log In or Join  
Active Topics
Local Time 23:50 02 May 2026 Privacy Policy
Jump to

Notice. New forum software under development. It's going to miss a few functions and look a bit ugly for a while, but I'm working on it full time now as the old forum was too unstable. Couple days, all good. If you notice any issues, please contact me.

Forum Index : Microcontroller and PC projects : The Pico is doomed

     Page 3 of 5    
Author Message
Mixtel90

Guru

Joined: 05/10/2019
Location: United Kingdom
Posts: 8794
Posted: 01:18pm 18 Mar 2022
Copy link to clipboard 
Print this post

:)
The problem,Tom, is that the VGA pins on that board aren't usable for anything else as they'll have the VGA resistor networks on them. They are useless as PicoMite VGA pins because you couldn't get enough free memory to support them. Likewise, the I2S audio pins are already connected to a non-supported device. It's probably pretty good if you want to write games & demos in C, but not when you need a BASIC interpreter on board.

@JohnS (and anyone else that's interested)
VGAmini22.pdf
Mick

Zilog Inside! nascom.info for Nascom & Gemini
Preliminary MMBasic docs & my PCB designs
 
thwill

Guru

Joined: 16/09/2019
Location: United Kingdom
Posts: 4367
Posted: 01:38pm 18 Mar 2022
Copy link to clipboard 
Print this post

I guess I'm not shutting up after all .

I know the result will have no GPIO, the user-base in this thought experiment is people who just want to dick about with a modern boot to BASIC retro-computer without any thought of additional hardware interfacing.

I naively assumed there would be a firmware implementable algorithm by which the 4 bits of data that the VGA PicoMite currently uses to drive the VGA (R, GL, GH, B) could be mapped to the 12 bits of data that this board requires (R1-4, G1-4, B1-4), e.g something like:

 R1 = R
 R2 = R
 R3 = R
 R4 = R
 G1 = GL
 G2 = GL
 G3 = GH
 G4 = GH
 B1 = B
 B2 = B
 B3 = B
 B4 = B

Best wishes,

Tom
Edited 2022-03-18 23:43 by thwill
MMBasic for Linux, Game*Mite, CMM2 Welcome Tape, Creaky old text adventures
 
JohnS
Guru

Joined: 18/11/2011
Location: United Kingdom
Posts: 4308
Posted: 02:11pm 18 Mar 2022
Copy link to clipboard 
Print this post

My feeling is that wiring along those lines "probably" (software man's term) would work.

You'd have to not connect various other things as the PicoMite VGA / the board wouldn't be happy.  I've spent no time trying to figure out which if any these are.

So you'd end with a number of flying leads or similar, at least unless someone re-does the PicoMite firmware (if anyone does).  Even then you'd lose most (all?) of the I/O that makes MMBasic of interest, I suspect.

The board designs to suit the PicoMite VGA (Peter, Mick, anyone else?) seem far better except they're not available in shop(s) ready made (no-one said they would be, really an observation rather than a complaint).

The (RPi foundation?) reference design VGA board (as sold by Pimoroni) really has far too many pins for colour IMO and thus too few for GPIO.

John
 
Mixtel90

Guru

Joined: 05/10/2019
Location: United Kingdom
Posts: 8794
Posted: 02:18pm 18 Mar 2022
Copy link to clipboard 
Print this post

Ah, this I couldn't guess at. It would probably depend on both the resistor networks and the firmware. I've not looked for the circuit of the board.
Mick

Zilog Inside! nascom.info for Nascom & Gemini
Preliminary MMBasic docs & my PCB designs
 
JohnS
Guru

Joined: 18/11/2011
Location: United Kingdom
Posts: 4308
Posted: 02:42pm 18 Mar 2022
Copy link to clipboard 
Print this post

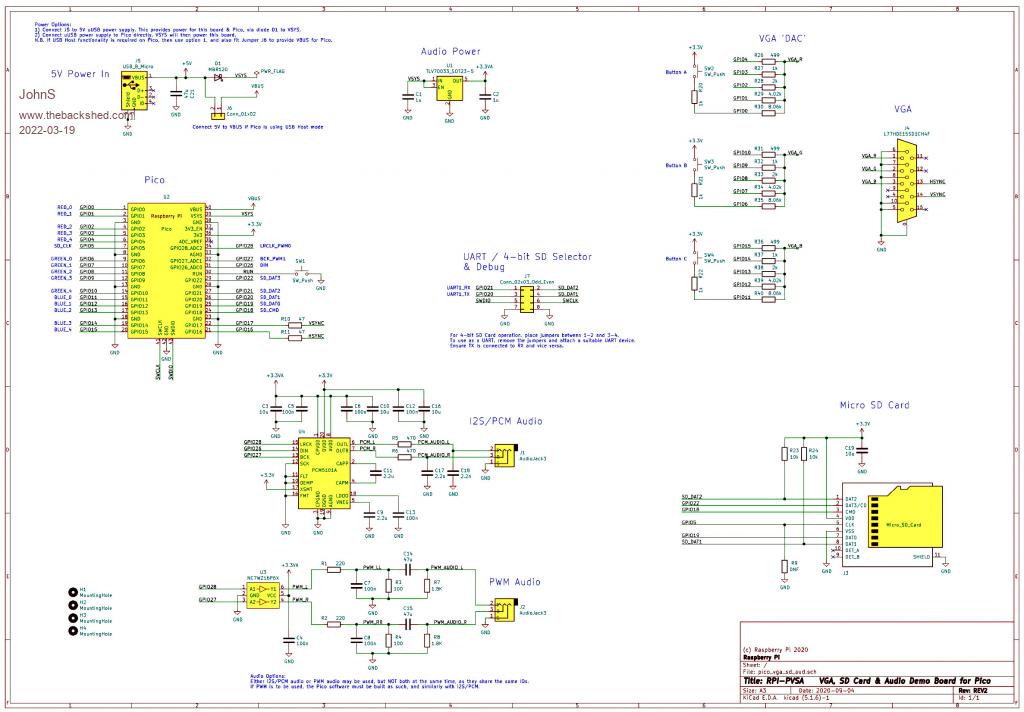
  Mixtel90 said  Ah, this I couldn't guess at. It would probably depend on both the resistor networks and the firmware. I've not looked for the circuit of the board.

By way of example:




The rest will be in the hardware design doc I hope.

Section 3.2 is VGA Video

Section 3 is the whole VGA etc board.

John
Edited 2022-03-19 00:45 by JohnS
 
JohnS
Guru

Joined: 18/11/2011
Location: United Kingdom
Posts: 4308
Posted: 02:55pm 18 Mar 2022
Copy link to clipboard 
Print this post

Aha, here's the schematic for the board. I hope I didn't mangle it...


John
Edited 2022-03-19 00:55 by JohnS
 
Mixtel90

Guru

Joined: 05/10/2019
Location: United Kingdom
Posts: 8794
Posted: 03:23pm 18 Mar 2022
Copy link to clipboard 
Print this post

The existing PicoMite VGA firmware won't run on that board no matter what you do. It's permanently set to use different pins. Even if you could change the pins used (by changing the firmware) you'd have to either drive multiple pins at the same time,as Tom suggested, or set the 11 unused ones to tristate. You've lost them anyway because they are tied to the VGA otput. The I2S audio is connected to the ADC pins so you've lost the ADC too. It's not a good general purpose board at all.

What might be interesting for games is a board using the PicoMite VGA with:
Audio amp for some desktop speakers (and headphones?)
Some sort of joystick support
5V supply for a VGA-HDMI converter
Some sort of LAN (wireless? I2C?)

Any ideas?
Mick

Zilog Inside! nascom.info for Nascom & Gemini
Preliminary MMBasic docs & my PCB designs
 
thwill

Guru

Joined: 16/09/2019
Location: United Kingdom
Posts: 4367
Posted: 04:03pm 18 Mar 2022
Copy link to clipboard 
Print this post

  Mixtel90 said  Any ideas?


Yes, we probably need some VGA PicoMite compatible games .

Best wishes,

Tom
MMBasic for Linux, Game*Mite, CMM2 Welcome Tape, Creaky old text adventures
 
Mixtel90

Guru

Joined: 05/10/2019
Location: United Kingdom
Posts: 8794
Posted: 04:19pm 18 Mar 2022
Copy link to clipboard 
Print this post

Perhaps we need a programming competition to get some written?

;)
Mick

Zilog Inside! nascom.info for Nascom & Gemini
Preliminary MMBasic docs & my PCB designs
 
thwill

Guru

Joined: 16/09/2019
Location: United Kingdom
Posts: 4367
Posted: 04:20pm 18 Mar 2022
Copy link to clipboard 
Print this post

  Mixtel90 said  Perhaps we need a programming competition to get some written?

;)


Perhaps we need some competitors ?


MMBasic for Linux, Game*Mite, CMM2 Welcome Tape, Creaky old text adventures
 
Mixtel90

Guru

Joined: 05/10/2019
Location: United Kingdom
Posts: 8794
Posted: 04:33pm 18 Mar 2022
Copy link to clipboard 
Print this post

Perhaps we need some that can program? ;)

I can sort the PCB out but my programming....  :(

Joysticks are a pain. The PicoMite doesn't support the nunchuck and there's only 3 ADC inputs so you couldn't have 2 analogue sticks. Or it could be for a single player, I suppose. Or just sockets for a pair of Atari 2600 compatible sticks?
Mick

Zilog Inside! nascom.info for Nascom & Gemini
Preliminary MMBasic docs & my PCB designs
 
thwill

Guru

Joined: 16/09/2019
Location: United Kingdom
Posts: 4367
Posted: 04:43pm 18 Mar 2022
Copy link to clipboard 
Print this post

Two NES controllers, internally they are just shift registers. Three digital signal lines for each: clock, latch and data ... and could the controllers share clock and latch?

I posted extensively on these 12 months or more ago, and even posted pictures of a handwired perfboard one.

Tom
Edited 2022-03-19 02:45 by thwill
MMBasic for Linux, Game*Mite, CMM2 Welcome Tape, Creaky old text adventures
 
Mixtel90

Guru

Joined: 05/10/2019
Location: United Kingdom
Posts: 8794
Posted: 04:48pm 18 Mar 2022
Copy link to clipboard 
Print this post

No idea. You lost me at NES. :)  I'm probably one of the few people that have never played a game on a console. Well, not since tennis on an old AY-something chip. It sounds like they aren't currently supported by the PicoMite anyway. Would it be realistic to write a handler for them in MMBasic?
Mick

Zilog Inside! nascom.info for Nascom & Gemini
Preliminary MMBasic docs & my PCB designs
 
matherp
Guru

Joined: 11/12/2012
Location: United Kingdom
Posts: 11263
Posted: 04:49pm 18 Mar 2022
Copy link to clipboard 
Print this post

  Quote   The PicoMite doesn't support the nunchuck

Of course it does. It is a simple I2C device. The specific support on the CMM2 was just a nice to have. Very easy to I/F in Basic and with 2 I2C channels you can even have 2 Nunchuk at once
 
Mixtel90

Guru

Joined: 05/10/2019
Location: United Kingdom
Posts: 8794
Posted: 04:56pm 18 Mar 2022
Copy link to clipboard 
Print this post

Ah! Right! I've never even seen a nunchuck in real life, never mind used one. That would be a good choice as the connector on the pcb end should be pretty easy (I can copy it. :) ).
Mick

Zilog Inside! nascom.info for Nascom & Gemini
Preliminary MMBasic docs & my PCB designs
 
thwill

Guru

Joined: 16/09/2019
Location: United Kingdom
Posts: 4367
Posted: 05:08pm 18 Mar 2022
Copy link to clipboard 
Print this post

Yep, Peter is (quelle surprise) correct and a pair of Nunchuck ports is almost certainly the way to go; they don't have to be used with actual "Nunchuck" controllers, there are plenty of more traditional controllers that have the same connector.

NES is the Nintendo Entertainment System and I have a fairly recent yet nostalgic fondness for its controllers because getting one working with the CMM1 was my first hardware project on TBS - no Bill (@Turbo64) I still haven't replaced that cable, but when I do I will send the old one to you so you can knock seven bells out of it in your yard.

However the technology is obsolete, I just checked Amazon and eBay, and almost everything that is calling itself an NES controller is actually a USB or Nunchuck controller styled to look like an NES controller .

Best wishes,

Tom
Edited 2022-03-19 03:28 by thwill
MMBasic for Linux, Game*Mite, CMM2 Welcome Tape, Creaky old text adventures
 
al18
Senior Member

Joined: 06/07/2019
Location: United States
Posts: 236
Posted: 05:15pm 18 Mar 2022
Copy link to clipboard 
Print this post

It seems CircuitGizmos NONchuk, operating as an I2C slave, would be the perfect device to add joysticks, keypads or other controllers to the PicoMite.

More info on the NONchuk fromTindie.com https://www.tindie.com/products/CircuitGizmos3/nonchuk-joysticki2ckeypadrotary-interface/

It seems it would be easier to write games for the PicoMite connected to an LCD screen, where 16 bit color is already supported by the stock PicoMite firmware
 
Mixtel90

Guru

Joined: 05/10/2019
Location: United Kingdom
Posts: 8794
Posted: 05:28pm 18 Mar 2022
Copy link to clipboard 
Print this post

It might be easier, but IMHO it breaks the spirit of a retro gaming setup. You also tie the user into buying a (possibly expensive or difficult to get) LCD display.

Look at what the Speccy achieved with a screen not that dissimilar to mode 2 but with less flexible colour. :)

(link is broken. :( )
Edited 2022-03-19 03:29 by Mixtel90
Mick

Zilog Inside! nascom.info for Nascom & Gemini
Preliminary MMBasic docs & my PCB designs
 
al18
Senior Member

Joined: 06/07/2019
Location: United States
Posts: 236
Posted: 05:56pm 18 Mar 2022
Copy link to clipboard 
Print this post

If you want a wonderful retro gaming setup, I suggest a $10 Raspberry Pi Zero with RetroPie Installed on the MicroSD card. Thousands of retro games work fine on the Zero and even more run on the newer $15 Zero 2W

I like the PicoMite because I can easily attach sensors and devices to the Pico and program them in Basic - this is what's missing on a retro computer. This is something that all the Maimites excel at. In terms of features, the PicoMite fits neatly between the original Color Maximite and the more expensive Color Maximite 2.
 
Mixtel90

Guru

Joined: 05/10/2019
Location: United Kingdom
Posts: 8794
Posted: 06:38pm 18 Mar 2022
Copy link to clipboard 
Print this post

How about the $4 PicoMite with half a dozen or so resistors?  ;)  (Oh, it's actually available too!)

The Pi zero or whatever is fine, but writing your own games for it is something quite different. There are lots of ways to play retro games - including running a free emulator on your PC - but that's not the point here.

This doesn't replace any of the board designs so far, it's just another addition to the possibilities.

Just because it has 2 nunchuck ports doesn't mean that you can't use them for something else, like connecting to my I2C IO modules. The sound output is from 2 PWM channels. Change some components and they can be connected to whatever. I might not put the ADC ports on this particular board, but if I don't it will be the fist time that I haven't. :) I'm not too bothered about including a load of IO either - I've done that already.
Mick

Zilog Inside! nascom.info for Nascom & Gemini
Preliminary MMBasic docs & my PCB designs
 
     Page 3 of 5    
Print this page
The Back Shed's forum code is written, and hosted, in Australia.
© JAQ Software 2026